所屬科目:電子學
一、如圖一所示為二極體之應用電路。假設二極體於順向偏壓之電壓降為 , 。請以二極體之定電壓模型分析此電路之輸出電壓和輸入電壓的轉移關係,將轉移特性曲線繪出,並請於適當處標示斜率和轉折點座標。
二、如圖二所示為運算放大器之應用電路。假設運算放大器為理想運算放大器 且皆操作於線性區。請推導並以V1 、V2 表示電路之輸出電壓 。
三、如圖三所示為雙載子接面電晶體(Bipolar Junction Transistor, BJT)之應 用電路。假設電容器C1之電容相當大,並忽略電晶體之 Early effect。請求出電路之小訊號電壓增益 、小訊號輸入電阻 和小訊號輸出電阻 。
四、如圖四所示為左半部電路和右半部電路完全對稱之差動放大器電路。假設電晶體 M1~ M4之轉移電導分別為 ,並忽略電晶體之通道長度 調變效應。請求出電路之小訊號電壓增益 。
五、請合理說明圖五所示電路之回授機制的極性為正回授或負回授。
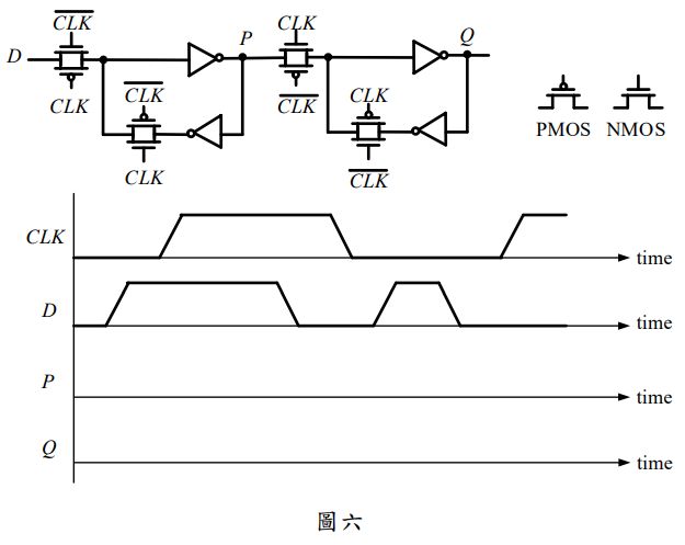
六、如圖六所示為一在電源電壓為 5 V 之製程以互補式金氧半場效電晶體和 反相器實現之數位電路。若時脈訊號 、輸入資料訊號 之波形如圖六 所示,其中表示「邏輯 1」之高準位電壓為 5 V,表示「邏輯 0」之低準 位電壓為 0 V。請分別繪出節點 和節點 的波形,並以數位電路中常見的電路名稱為此電路命名。