所屬科目:技檢◆儀表電子-甲級
9. 如下圖電路所示,放大器 A 的開迴路增益為 1000,,電晶體的 , 可省 略,則=?(A)100mS(B)0.1mS(C)1mS(D)10mS。
17. 如下圖電路所示,若電阻器 R1 開路,則會產生下列何種情況?(A)電晶體燒毀(B)電晶體作線性放大 工作(C)電晶體截止(D)電晶體飽和。
27. 如下圖所示電路,欲使 8051 的外部 RAM 及 ROM 均佔用同一塊 64K 的空間時,中間方塊 A 應為何種邏輯閘?(A)OR(B)NOR(C)NAND(D)AND。
28. 如下圖的樞密特觸發電路所示,請問 C 之作用為何?(A)平衡兩端電壓(B)濾波(C)加速電容器(D)讓交 流信號通過。
31. 使用 dBm 表示輸出準位的單位時,其參考準位(0dBm)是設定於?(A)(B)(C)(D)10。
35. 利用三個瓦特表量測三相四線式不平衡電路之電功率,三個瓦特表的讀值分別為 及 ,則此三相電路之總功率為(A)(B)(C)(D)。
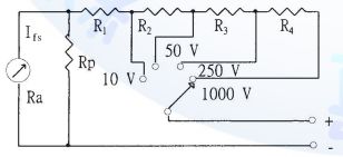
41. 如下圖電路所示為一多範圍電壓表,若使用滿刻度電流 的可動裝置,倍率電阻器 R1 =1 99kΩ、R2 =800kΩ,則並聯於可動裝置之分流電阻器 Rp 之大小為何?(A)1kΩ(B)5kΩ(C)4kΩ(D)1.2 5kΩ。
43. 如下圖電路所示,其頻寬為 1MHz,若 R1 =1kΩ,R2 =10kΩ,伏特,試問 放大器 A 之頻寬為多少?(A)90.9kHz(B)10MHz(C)1MHz(D)100kHz。
59. 某二極體之材料常數 η=1 其工作點電流為 ,若 為其工作環境之溫度的伏特當量,則此二極體在工作點時的小信號交流阻抗r為下列何者?(A)(B)(C)(D)。
63. 下列哪些邏輯運算式具有反互斥或閘(NXOR)的功能?(A) (B) (C) (D) 。
64. 2 個 8 位元的無號數分別為 A=10110101 與 B=11010010,每位元分別執行邏輯閘運算,則下列哪些運算結果正確?(A)A(B)(C)(D)。
69. 使用數位 IC 時,在考慮介面間的處理,若以電壓為主的邏輯準位考量,下列哪些敘述正確?(A)V (B)(C)(D)。
71. 下列何者是用來表示為接地的符號?(A) (B) (C) (D) 。
74. 有一 RLC 串聯諧振電路,若電源電壓 V=100V、R=1Ω、L=20mH、C=200µF,下列哪些正確?(A) 電路阻抗為 10Ω(B)頻帶寬度為 (C)品質因數為 10(D)諧振頻率約 75Hz。