所屬科目:電子學
一、如下圖為 BJT 放大器,假設在= 1 mA 條件下= 0.7 V、β= 100,請 設計電阻,使得輸出= +5 V 與集極電流(collector current)為 2 mA(=2 mA)。(20 分)
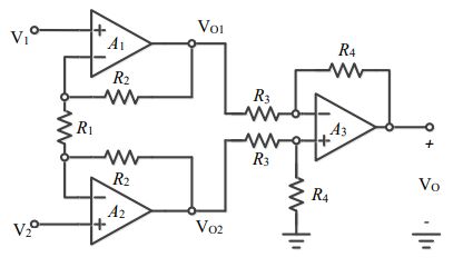
二、如下圖為儀表放大器,其中共模輸入電壓為+10 V,差動輸入電壓(V2-V1) 為0.01 sin ωt V。假設R1=1 kΩ,R2=100 kΩ and R3=R4=1 kΩ,試求、 與最後輸出電壓。
三、如下圖差動放大器其電流源 I = 0.2 mA,假設每一個 BJT 之 β=200 且爾 利電壓(early voltage)為 100 V,試求:輸入電阻(Ri) 、輸出電阻(Ro) 、 電路轉導值()、差動放大器增益() 。
四、共源放大器(common-source amplifier)之轉導值為 1 mA/V(gm=1 mA/V) , 電阻與電容值如下圖所示,其轉移函數為,忽略通道長度調變效應(channel length modulation effect) , 求此電路的增益(),三個頻率( )值。
五、試以 CMOS 邏輯(CMOS logic)電路與通道晶體管邏輯(PTL:pass transistor logic)電路方式實現布林函數之電路圖。(20 分)