所屬科目:電子儀表概要
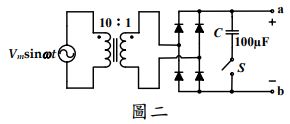
三、如圖二所示電路,若二極體順向導通壓降可忽略,當未接電容 C(開關 S OFF)時,以三用電表 ACV 檔測得 a、b 兩端電壓為 V1,接上電容 C V (S ON)時,以三用電表 DCV 檔測得 a、b 兩端電壓為 V2,求為多少?
(二)若有另一待測線圈的品質因數為第(一)小題線圈的 10 倍,為減少測量 誤差而將 S 投到位置 2,若 R2、R3 的值未改變、而 = 1 nF,當電橋 平衡時,求 RH 為多少?
(二)要使輸出正弦波電壓()的頻率為 795 Hz,則 C 應為多少?