所屬科目:教甄◆電子科/資訊科/電機科/冷凍空調科/控制科/電機空調科
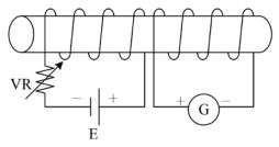
2. 小柏在網路上看到如右圖的實習,他很認真的去把他接了出來,接完之後發 現旋轉可變電阻VR檢流計G會來回跑動,但是小柏常常搞不清楚所接的可變 電阻VR調整時的大小,順時針轉或逆時針轉時就看到檢流計G左右偏移,以下敘述何者正確? (A)檢流計正偏,表示可變電阻值變大 (B)檢流計正偏,表示可變電阻值變小 (C)電阻值變大時,檢流計負偏 (D)電阻值變小時,檢流計正偏
5. 如下圖所示電路中4A電流源提供功率為何? (A) -18W (B) 18W (C) 36W (D) -36W
8. 如下圖所示之電晶體電路, = 15V ,= 429kΩ ,=0.8kΩ ,若 = 0.7V , = 7V ,則電晶體之β值約為何? (A) 152 (B) 200 (C) 240 (D) 300
9. 如下圖所示之施密特(Schmitt)觸發電路,若已知電源電壓 =13V,輸出之正 飽和電壓 =12V,負飽和電壓 =–12V,=3V,則各臨界電壓值,下列何者正確? (A)上臨界電壓V U =4.5V 試題公告 (B)上臨界電壓V U =12V (C)下臨界電壓V L =3V (D)下臨界電壓 VL= V
10. 如下圖所示之振盪電路,正常工作下 之頻率約為何? (A) 20Hz (B) 100Hz (C) 200Hz (D) 1000Hz
11. 如下圖所示,全波整流濾波後之輸出電壓波形,其漣波因數百分比γ%約為多少? (A) 5.24% (B) 5.77% (C) 6.42% (D) 6.82%
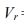
12. 橋式整流電路如右圖所示,若輸入交流電壓 = 20 sin (2π ⋅ 60t )V ,且其中線圈匝 數比為2:1,假設二極體均為理想二極體,下列敘述何者正確? (A) 負半週時D 1 、D 3 導通, 輸出電壓為正值 (B)每一顆二極體P.I.V.均為10V (C)電阻上的平均值電壓為 (D)電阻上的電壓頻率為60Hz
13. 若一電晶體的 值(即接成共基極而將輸入端斷路時的集基極反向電流)為10nA, 而其 值(即接成共射極而將輸入端斷路時的集射極反向電流)為1μA,試由此估 計電晶體的β增益為何? (A) 49 (B) 50 (C) 99 (D) 100
14. 有一差動放大器,輸入 = 0.05mV 、 = 0.03mV 、 = 5000 、 CMRR = 103 ,則其輸出電壓為何? (A) 70% (B) 60% (C) 50% (D) 40%
15. 如下圖所示的電路,簡化後Y的布林代數表示式為何? (A) (B) (C) (D)
16. 如下圖所示電路,請問屬於何種邏輯閘? (A) AND (B) XOR (C) NXOR (D) OR
17. 若,則下列何者正確? (A) X=2,Y=11 (B) X=3,Y=1C (C) X=2,Y=1C (D) X=3,Y=11
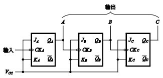
19. 如下圖為JK正反器所組成的計數器,若輸入端接20KHz的方波,則輸出B端的信號頻率為多少? (A) 20KHz (B) 10KHz (C) 5KHz (D) 2.5KHz
20. 如下圖所示電路,若Y(A,B,C)=Σ(0,3,4,6),則 I 0 與 I1 之值為: (A) I 0 = 0 、 I1 = 0 (B) I 0 = 0 、 I1 = 1 (C) I 0 = 1 、 I1 = 0 (D) I 0 = 1 、 I1 = 1
2. 以JK反器設計一個計數順序為:0→2→4→6→7→5→3→1→0…的同步計數器, 僅供參考 若註標A為MSB。試求 。
(1)負載消耗平均功率
(2)瞬時最大功率
(3)瞬時最小功率
(1)電路的輸入阻抗
(2)
(3)若考慮= 20kΩ ,則 為何?
6. 如下圖所示之理想放大器電路,試求輸入阻抗 為多少歐姆?