所屬科目:電子學
二、如圖所示電路,若二極體的切入電壓為 0.7 V、順向電阻 = 300 Ω,試 求電流 及 I1 分別為?
三、如圖所示為理想運算放大器電路,若輸入電壓 = 0.5 V,試求電路中: I1、I2 及 分別為?
(一)輸入阻抗 =?
(二)總電壓增益 =?
(三)總電流增益=?
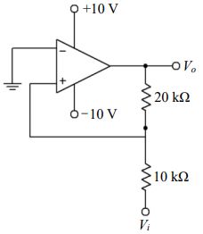
五、如圖所示為包含理想運算放大器之施密特觸發(Schmitt trigger)電路, 試求此電路的遲滯(Hysteresis)電壓為何?
六、試以全-CMOS 方式繪出布林函數: 之電路圖?