所屬科目:電子儀表概要
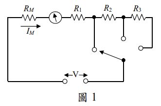
一、有一 PMMC 儀器,如圖 1 所示,其= 50 µA、內阻= 2 kΩ,作為 範圍 10 V、50 V 及 100 V 的電壓表。試求電路中所需的倍率電阻為何? (20 分)
二、在圖 2 中,有一個電壓表其靈敏度為 2 kΩ/V,測量 50 kΩ 電阻器兩端的電壓。若電壓表置於 50 V 範圍上使用,試求電壓表之測量值的誤差百分 率為何?(20 分)
三、運用兩個瓦特表測量三相功率,得到瓦特表= 400 W,= 200 W。 試求負載的有效功率、無效功率以及功率因數為何?(20 分)