所屬科目:電子學
一、圖一 (a) 電晶體 Q 之參數 ’(W/L) = 1 mA/V2 , = 1 V , = ∞ , = 0;= +5 V,C1 = C2 = 1 μF, = 90 kΩ,= 60 kΩ, = 1 kΩ, = 35 kΩ。 = 0;t ≥ 0,為–5 V 步級波如圖一 (b)。t = 0–時,電容 C1 與 C2 均無電流通過;t = 0+時 Q 截止,且 t = t1 時 Q 導通進入三極區或飽和區。先分析 t = 0–時之閘極、汲極電壓與,再 求算 t1 以及 0 < t ≤ t1 之 ,列出必要的過程計算式。
二、圖二放大器中 R1 + R2 = 3 kΩ , 所有晶體 = 5 V ; Q1 與 Q2 : = 200μA/V2,W/L = 40, = 0.8 V;Q3 ~ Q5:β = 100 >>1,直流分析時忽略基極電流。求算 Q2 之偏壓電流以及放大器輸出電阻 。
三、圖 三 BJT 工作於主動區 , β= 48 >>1 , = 1.2 kΩ , = 0 , ro = ∞ , = 1.25 pF, = 0.3 pF; = 2.2 μF,= 4 μF, = 3 kΩ, = 30 kΩ, = 20 kΩ, = 0.8 kΩ, 為理想偏壓電流。以短路常數法與開路常數法分別估算放大器電壓增益響應之高頻 3-dB 頻率ωH 與低頻 3-dB 頻率 ωL,必須列出過程計算式。
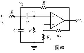
四、圖四電路使用理想運算放大器,R = 1 kΩ,C = 0.1 μF,R2 = aR1 = 3 kΩ, 其 3-dB 頻寬為 104 rad/sec,利用所標示之 v1 與 v2 推導其轉移函數 H(s) = ,s = jω,並求算|H( jω)|之極大值與 a 之值。
五、圖五為一數位電路的狀態圖(state diagram),圖中箭頭表示狀態改變的 方向,並以①②③④編號。先依編號順序畫出此電路的輸入 A、B 與輸 出 Q 對應的狀態改變時序圖(timing diagram) ,再以 NAND 邏輯閘設計 此電路,以真值表說明工作原理。