所屬科目:統測◆06土木與建築群◆(二)測量實習、製圖實習
5. 某工程計算機按鍵及顯示畫面如圖 ( 二 ) 所示,今欲計算 cos 60 °數值,其操作步驟如表 ( 一 ) 所示,卻得到錯誤數值- 0.95241298042,則下列何項操作最有機會可以解決這樣的錯誤而得到正確數值 0.5? (A) 輸入前先按鍵切換模式 (B) 輸入前先按鍵切換模式 (C) 輸入前先按鍵切換模式 (D) 輸入前先按鍵切換模式
7. 平坦地面上有三點 A、B、C,已知右旋角∠ BAC ≦ 90 °,但手邊僅有捲尺而無其他測 角儀器。故在 AB線上由A點拉捲尺量測14.14m處標示為D點,在AC線上由A點拉捲尺 量測14.14m處標示為E點,再量測DE距離得20m,則∠BAC為何? (已知) (A) 30 ° (B) 45 ° (C) 60 ° (D) 90 °
9. 如表(二)所示,水平角觀測表格中空白處①~④的數值,下列何者正確? (A) ①為210 (B) ②為90 °02 ’ 30” (C) ③為60 °12 ’ 50” (D) ④為60 °12’ 50 ”
11. 表(三)中測量技術於運動比賽的應用場景,下列編號組合何者最為正確? (A) ①②③ (B) ④⑤⑥ (C) ①③⑤ (D) ②④⑥
21. Mary設計一個空間雕塑如圖(四)所示,下列何者為正確的三視圖? (A)(B)(C)(D)
22. Galadriel建築師針對一棟位於宜蘭的美術館案,繪製初步方案的前視圖與陰影,如圖(五) 所示,下列何者屬於該方案的俯視圖?(A)(B)(C)(D)
23. 文藝復興時期強調圓形空間作為上帝象徵的想法,是完整性和完美的象徵。西方學者對幾種文藝復興時期的幾何結構進行分析,發現經常使用多中心橢圓的幾何結構。已知某 教堂內部橢圓空間之長軸、短軸以及兩個正圓弧圓心A、B,如圖(六)所示。此橢圓的繪製方法稱為何? (A) 焦點法 (B) 同心圓法 (C) 四心法 (D) 平行四邊形法
24. 工程圖係呈現設計者理念的表達工具,如何繪製正確的圖面須精準掌握製圖的基本技巧。 圖面是由各種線所構成,線交接的正確與否,也會影響圖示正確性的判讀。下列有關線的畫法何者錯誤? (A)(B)(C)(D)
25. 有關門的平面圖、立面圖、剖面圖符號,下列組合何者正確? (A)(B)(C)(D)
26. Albert繪製某建築結構平面圖如圖(七),下列所標示的構材與符號何者錯誤? (A) Ⅰ為柱,符號為C (B) Ⅱ為構架樑,符號為 G、B;Ⅲ為非構架樑,符號為 b (C) Ⅳ為板,符號為F;Ⅴ為懸臂板,符號為CF (D) Ⅵ為構架懸臂樑,符號為CG、CB
27. Maynard所繪製的等角圖與三視圖之組合中,下列何者錯誤? (A)(B)(C)(D)
28. 依據CNS11567,有關圖(八)中符號敘述何者正確? (A) 附註說明項次1,登錄於附註欄 (B) 粉刷材料的說明符號 (C) 圖號與圖面視點方向 (D) △為修改符號,內部數字為修改次數
29. 文藝復興時代的德國藝術家兼數學家杜勒( Albrecht Dürer ) ,是最早運用透視機( perspective machine )輔助繪畫的畫家。透視機是一個畫有格子的透明平面如圖(九),而投影概念係將物體的表面投影在透視機上,下列有關圖面投影原理的名詞LS、PL、SP、PP等的敘述何者正確? (A) 視線、投射線、視點、投影面 (B) 視軸線、投影線、視點、視平面 (C) 視線、投影線、視點、投影面 (D) 視軸線、投射線、視點、視平面
33. 依據輔助視圖繪製之目的,已知 Elrond 所設計雕塑的立體圖如圖 ( 十 ) 所示,若欲求得圖中斜面的實際形狀,下列何者為正確的輔助視圖? (A)(B)(C)(D)
34. Oropher設計一個立體雕塑,其等角圖如圖(十一)所示。依據附圖的條件,若將此等角圖以正交 ( 與物體呈垂直或水平 ) 且不轉折的割面方式分別平直切割,則下列何者不屬於該雕塑的剖面視圖? (A)(B)(C)(D)
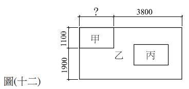
35. 王家三兄弟繼承父親的矩形土地後分割為甲、乙、丙三筆如圖 ( 十二 ) 所示,其中王大擁有乙地,王二與王三分別擁有矩形的甲、丙兩筆土地。王大為了開發乙地,委託建築師測 繪土地形狀並標註尺度(單位為 cm),但因作業疏失而漏記其中一部分的尺寸(圖中標示問 號的範圍)。已知丙地面積為150m2,乙地在建蔽率50%的條件下可建建築面積為704m2, 則圖中被漏記的尺度為何? (A) 1800 cm (B) 2000 cm (C) 2200 cm (D) 2400 cm
36. Andrew繪製某建築的平面圖(十三),下列何者為正確的AA 剖面圖? (A)(B)(C) (D)
37. Candy繪製某透天住宅立面圖,依據建築技術規則對於建築物相關高度的定義,下列組合何者完全正確?①建築物高度為1036 cm ②建築物高度為1486 cm ③A處的簷高為1015 cm④A處的簷高為1035cm ⑤地板面高度為46 cm ⑥一樓樓層高度為388 cm(A) ②④⑥ (B) ①④⑤ (C) ②④⑤ (D) ①③⑤
38. Landy 設計一幢無地下室的三層透天住宅,其圖中所有階梯的級高皆相同,一樓樓板高程+60 cm,其二樓平面圖如圖(十四)所示,則下列敘述何者錯誤? (A) 三樓樓板高程為+630 cm (B) 二樓的臥室B高程為+390 cm (C) 臥室B的上方有挑空 (D) 圖中顯示該樓層有兩處陽臺
39. 下列何者有可能為此住宅的立面圖? (A)(B)(C)(D)