所屬科目:電子學
一、如圖一所示的二極體電路,電路中每個二極體的切入電壓(cut-in voltage) 皆為 0.7V。試求 。(25 分)
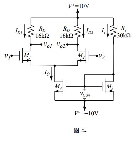
二、如圖二所示的差動放大器電路,電晶體參數分別為=0.1mA/V2, 。 試求差模增益、共模增益、及共模斥拒比() 。 (25 分)
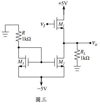
三、如圖三所示的 A 類源極隨耦器電路,電路中所有的電晶體參數皆相同,參數為 = 0.5V,Kn=12mA/V2,λ=0。試求電路運作於線性區間之最大的輸出電壓、最小的輸出電壓、及與它們(最大及最小的輸出電壓)相對應的輸入電壓值。(25 分)
四、如圖四所示的空乏型負載 NMOS 反相器,其中=3V,且電晶體參數為=100μA/V2 , = 0.4 V, = −0.8 V, = 6,= 2。忽略本體效應(body effect)。試求反相器的最大功率消耗、電晶體及分別工作於過渡點(transition point)時的輸入電壓、輸出電壓 、及 當輸入電壓= 3V 時的輸出電壓 vo。(25 分)