所屬科目:結構學概要與鋼筋混擬土學概要
一、下圖所示為一靜定剛架,AB 為四分之一圓桿件。A 點與 D 點為鉸支承, B 點為內鉸接。C 點承受集中力 10 kN。試求 A 點與 D 點的反力,並標 示反力的方向。(25 分)
二、下圖所示為一靜定梁,C 點為鉸支承,B 點為滾支承。梁的 EI 為定值, E 為楊氏模數,I 為面積慣性矩。A 點承受端點彎矩 PL。試以單位力法, 求 A 點的垂直向變位,並標示變位方向。(25 分)
三、有一矩形斷面之鋼筋混凝土梁,矩形斷面寬度 b = 35 cm,配置 4 支 D29 拉力鋼筋,有效深度 d = 63.3 cm。混凝土抗壓強度 fc' = 280 kgf/cm2,拉力 鋼筋降伏強度 fy = 4200 kgf/cm2。一支 D29 鋼筋之截面積為 6.47 cm2。試 計算此梁斷面的設計彎矩強度φMn。(25 分)
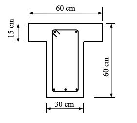
四、下圖所示為鋼筋混凝土單獨 T 型梁的斷面。梁使用常重混凝土且無受軸 力影響。T 型梁翼板受壓,有效深度 d = 53.6 cm,配置 D10@15 cm 閉合 矩形剪力鋼筋。混凝土抗壓強度 fc = 280 kgf/cm2 ,剪力鋼筋降伏強度 fyt = 2800 kgf/cm2。D10 鋼筋之截面積為 0.71 cm2。試求此 T 型梁斷面可 承受之最大設計剪力 Vu。(25 分)