所屬科目:電子學
一、如圖 1 所示之電路,若 BJT 之 β = 100 , RB = 480 kΩ , RC = 2 kΩ , RE= 1 kΩ ,基-射極電壓VBE = 0.7 V ,則 Vo 為多少?(25 分)
二、如圖 2 所示之 JFET 電晶體電路,該電晶體截止電壓VGS (off) = -5 V,若直 流閘源極電壓VGS = -4 V , I D = 0.425 mA ,則 R1/R2 為何?(25 分)
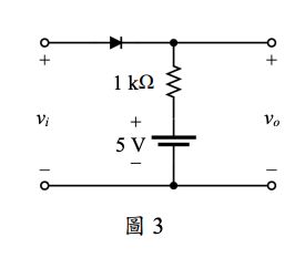
三、如圖 3 所示之理想二極體電路,請畫出此電路之電壓輸出對輸入轉換 曲線。(25 分)
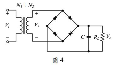
四、如圖 4 之二極體整流電路,其中二極體為理想元件,若 Vo 之平均值為 49.4 V, RL = 10 kΩ , Vi = 125sin (100pt ) V , Vo 之漣波電壓峰對峰值為 1.2 V,則電容 C 值為何?變壓器之匝數比 N1/N2 為何?(25 分)