所屬科目:泉勝◆基本電學(下冊)
1.如圖(1) 由電阻 R = 2Ω 及電抗 X = 4Ω 串聯組成的 RL 串聯電路,將其轉換為並聯電路,如圖(2),則 R1=5Ω 與 X1=10Ω。(A)O(B)X
2.若有一串聯電路如下圖左,R = 6Ω,XC = 2Ω,其並聯等效電路如下圖右,則 R1=10Ω 與 X1=20Ω。(A)O(B)X
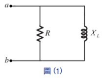
3.由電阻 R = 3Ω,XL= 4Ω 組成的並聯電路如圖 (1),其串聯等效電路,如圖 (2),則 RS=48Ω 與XS=36Ω。(A)O(B)X
1.如圖(1)所示之交流穩態電路,若 v(t) = 10cos(2t)V,則流經12Ω電阻之電流有效值為何? (A) 0.5A (B) 2A (C) 4A (D) 6A
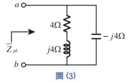
2.如圖(3)所示交流電路,其a、b兩端阻抗為何?(A) 4Ω (B) (4+j4)Ω (C) (4-j4)Ω (D) (4-j8)Ω
3.如圖(4)所示之電路,若vₛ(t) = 100sin(377t) V,則v₁(t)為何?統測110 (A) 25 sin(377t - 30°) V (B) 25 sin(377t - 45°) V (C) 50 sin(377t - 30°) V (D) 50 sin(377t - 45°) V
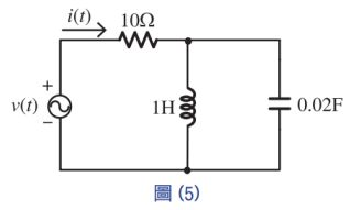
4.如圖(5)所示之電路,若v(t) = 20sin(5t) V,則電路總電流i(t)為何? (A) 2 sin(5t+45°) A (B) 2 sin(5t-45°) A (C) 2sin(5t-45°) A (D) 2sin(5t+45°) A
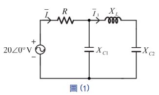
5.如圖(1)所示之電路,若R、XL、XC1、XC2之阻抗值皆為2Ω,則電路中電感抗XL兩端之電壓大小為何?(A) 5V (B) 15V (C) 20V (D) 30V
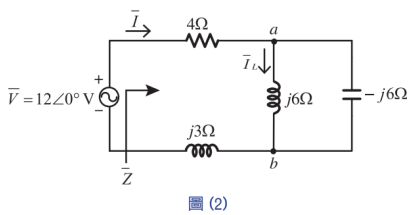
6.如圖(2)所示之 RLC 串並聯交流電路,試問下列敘述何者正確? (A) 流經電感器的電流= 2∠-90° A (B) a、b 兩端電壓= 7.2∠53.1° V (C) 電源電流= 2.4∠-36.9° A (D) 總阻抗= 5∠36.9° Ω
7.如圖(1)所示電路,若 = 100∠0°V,則下列敘述何者正確? (A)= 10∠0°A (B) = 10∠45°Ω (C) 電路呈電感性 (D)的相位超前
8.由電阻 Rp=10Ω 及電抗 Xp=10Ω 並聯組成之 RC 電路,將其轉換成電阻 Rs 與電抗 Xs 串聯之等效電路,則其值分別為何? (A) Rs=20Ω, Xs=20Ω (B) Rs=10Ω, Xs=10Ω (C) Rs=5Ω, Xs=5Ω (D) Rs=0.1Ω, Xs=0.1Ω