所屬科目:泉勝◆基本電學(下冊)
1.三相發電機轉子逆時針旋轉時,各相繞組通過某一固定點 (P) 的順序,依序為 A → B → C 者,稱之為正相序。(A)對(B)錯
2.三相發電機轉子逆時針旋轉時,各相繞組通過某一固定點(P)的順序,依序為 A → C → B 者,稱之為負相序或逆相序。(A)對(B)錯
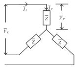
3.下圖的發電機,將三個繞組的線尾(A'、B'、C')連接在一起,稱為中性點(neutral point)N,另一端的三個線頭(A、B、C)分別接到負載,這種接法外形像一個倒「Y」字,因此稱為 Y 形連接。(A)對(B)錯
4.下圖的稱為相電流稱為線電流,Y 形連接的線電流等於相電流:。(A)對(B)錯
5.下圖的̅稱為相電壓稱為線電壓,Y 形連接的線電壓是相電壓的倍:(A)對(B)錯
6.下圖的稱為相電壓稱為線電壓,正向序 Y 形連接的線電壓是相電壓的倍,,角度超前30° :。(A)對(B)錯
7.下圖的稱為相電壓稱為線電壓,逆向序 Y 形連接的線電壓是相電壓的倍,角度落後30°:。(A)對(B)錯
8.下圖的發電機是△形連接。(A)對(B)錯
9.下圖的̅稱為相電壓稱為線電壓,△形連接的線電壓等於相電壓:(A)對(B)錯
10.下圖的稱為相電流稱為線電流,△ 形連接的線電流是相電流的倍:。(A)對(B)錯
11.下圖的稱為相電流稱為線電流,正向序△形連接的線電流是相電流的倍,,角度落後 30°:。(A)對(B)錯
12.下圖的稱為相電流稱為線電流,逆向序△ 形連接的線電流是相電流的倍,,角度超前 30°:。(A)對(B)錯
13.如圖 Y 形三相負載連接, 線電壓為相電壓的倍,即。(A)對(B)錯
14.如圖 Y 形三相負載連接,線電流等於相電流:。(A)對(B)錯
15.如圖△形連接的線電流是相電流的倍:。(A)對(B)錯
16.如圖△形連接的線電壓等於相電壓:。(A)對(B)錯
17.三相電路的總有效功率 P(又稱為平均功率或實功率),為各相有效功率之和,以公式表示為:P = 3。(A)對(B)錯
18.三相電路的總無效功率 Q(又稱為虛功率),為各相無效功率之和,以公式表示如下:Q = 3 sinθ。(A)對(B)錯
19.三相電路的總視在功率 S,為各相視在功率之和,表示如下:S = 3。(A)對(B)錯
20.設θ為 VP 和 IP 的相角差,則三相的功率因數為:PF=cosθ=。(A)對(B)錯
1.如下圖所示之三相電路,求線電流之值為何? 統測109(A)(B)(C)20∠-90°A(D)20∠90°A
2.如圖所示電路,其中為理想的電流表及電壓表,若電流表指示値爲8.66A,則下列敘述何者正確? 統測113(A)負載的總平均功率為225W(B)負載的總虛功率為325VAR(C)負載的總視在功率為395VA(D)電壓表指示値為60V
3.如圖所示三相平衡電路,若線電壓有效值為400V、三相負載的總實功率(總平均功率)為4.8kW、功率因數為0.6落后,則阻抗為何?(備註:cos53.1°=0.6) 統測111(A)(B)(C)(16+ j12)Ω(D)(12+ j16)Ω
4.有一功率因數為 0.866 落後之三相平衡負載,將其連接於線電壓有效值為 220 V 之三相平衡電源, 已知線電流有效值為 10 A,則負載每相所消耗之平均功率約為何?(統測 110) (A) 1100W (B) 1100 W (C) 2200W (D) 2200 W
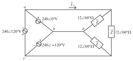
5.某生購買了一組三相平衡負載設備,已知此三相平衡負載設備為 Δ 接方式,且每相阻抗為 3 + j4 歐姆。今將其接至三相平衡電壓源,如右圖所示之 U、V、W 三端子,且線電壓有效值為 100V。圖中負載總消耗功率為多少瓦特?(統測 112) (A) 600 (B) 1200 (C) 2400 (D) 3600
6.某生購買了一組三相平衡負載設備,已知此三相平衡負載設備為Δ接方式,且每相阻抗為 3 + j4 歐 姆。今將其接至三相平衡電壓源,如右圖所示之 U、V、W 三端子,且線電壓有效值為 100V。當連 接至三相平衡電壓源之 V 點端子的導線因脫落發生斷路,則電路負載總消耗功率變為多少瓦特?(統 測 112) (A) 1800 (B) 2000 (C) 2400 (D) 3600