所屬科目:泉勝◆基本電學(下冊)
1.功率因數(Power Factor,簡記為 PF)為平均功率 P 與視在功率 S 的比值。(A)O(B)X
2.功率因數沒有單位。(A)O(B)X
3.功率因數恆為正值。(A)O(B)X
4.功率因數的值為 1 時,表示電路中的電壓與電流相位相同。(A)O(B)X
5.功率因數的值為 0 時,表示電路中電壓與電流的相位差為九十度。(A)O(B)X
6.當電路有較大的功率因數時,代表負載可由電源獲得比例較多的平均功率。(A)O(B)X
7.電路的設計都儘可能使功率因數達到最大值,讓電源輸出的功率都能傳至負載。(A)O(B)X
8.功率因數低時,表示能量不斷在電源與負載轉換,造成龐大的虛功率。(A)O(B)X
9.電路為電容性電路時,其電流超前電壓,此時功率因數 PF = cosθ 稱為落後功率因數。(A)O(B)X
10.電路為電感性電路時,其電流落後電壓,此時功率因數 PF = cosθ 稱為超前功率因數。(A)O(B)X
1.如圖所示之交流電路,若電壓 = 100∠00V,電流= 10∠300A,則此電路的功率因數為何?(統測 103) (A) 0.5,超前 (B) 0.5,落後 (C) 0.866,超前 (D) 0.866,落後
2.有一單相交流電路,加入電源電壓 v(t) = 200sin(377t)V,產生電流 i(t )=5cos(377t–300 )A,試求該 電路的功率因數(PF) 為何?(統測 105)(A) 0.5 超前 (B) 0.5 落後 (C) 0.866 超前 (D) 0.866 落後
3.有一 RLC 串聯交流電路,其電壓= 10∠00V,R=8Ω,XL=6Ω,XC=12Ω,試求電路的功率因數為多 少?(A)0.8 超前(B)0.8 落後(C)0.6 超前(D)0.6 落後
4.交流電路中,電源提供 20kVA 的視在功率,電路中有 12kVAR 的虛功率時,試計算實功率為多 少W?(A)8k(B)10k(C)16k (D)18k
5.交流電路中,電源提供 20kVA 的視在功率,電路中有 12kVAR 的虛功率時,試計算功率因數 PF。(A)0.8(B)0.6(C)0.5 (D)0.4
6.交流電路中,虛功率為 24kVAR,功率因數 0.6,試計算平均功率為多少 kW?(A)18(B)16(C)15 (D)14
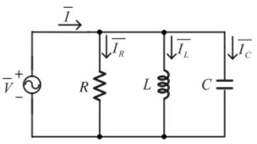
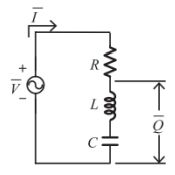
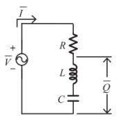
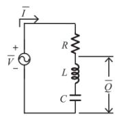
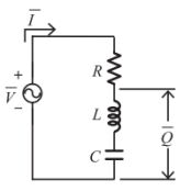
7.如圖所示之 RLC 串聯交流電路,設負載元件 R=3Ω、XL=8Ω、XC=4Ω,當接於 v(t)=100sin(377t+370 )V 之電源電壓時,試求該電路之 P=?W(A)1200(B)1000(C)800 (D)600
8.如圖所示之 RLC 串聯交流電路,設負載元件 R=3Ω、XL=8Ω、XC=4Ω,當接於 v(t)=100sin(377t+370 )V 之電源電壓時,試求該電路之 QL=?VAR(A)3200(B)2000(C)1600 (D)-1600
9.如圖所示之 RLC 串聯交流電路,設負載元件 R=3Ω、XL=8Ω、XC=4Ω,當接於 v(t)=100sin(377t+370 )V 之電源電壓時,試求該電路之 QC=?VAR(A)-3200(B)-2000(C)1800 (D)-1600
10.如圖所示之 RLC 串聯交流電路,設負載元件 R=3Ω、XL=8Ω、XC=4Ω,當接於 v(t)=100sin(377t+370 )V 之電源電壓時,試求該電路之 Q=?VAR(A)3200(B)2000(C)1600 (D) -1600
11.如圖所示之 RLC 串聯交流電路,設負載元件 R=3Ω、XL=8Ω、XC=4Ω,當接於 v(t)=100sin(377t+370 )V 之電源電壓時,試求該電路之 S=?VA(A)3200(B)2000(C)1600 (D) -1600
12.如圖所示之 RLC 串聯交流電路,設負載元件 R=3Ω、XL=8Ω、XC=4Ω,當接於 v(t)=100sin(377t+370 )V 之電源電壓時,試求該電路之 PF=?(A)0.5,超前 (B) 0.5,落後 (C) 0.6, 超前 (D) 0.6,落後
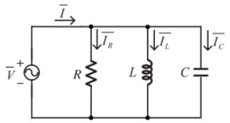
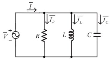
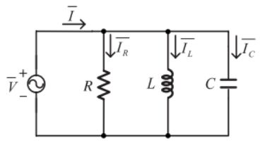
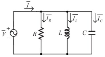
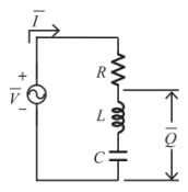
13.如圖所示之 RLC 並聯交流電路,設負載元件 R=3Ω、XL=2Ω、XC=4Ω,當接於= 12∠00V 之電源電壓時,試求該電路之 P=?W(A)12(B)36(C)48(D)72
14.如圖所示之 RLC 並聯交流電路,設負載元件 R=3Ω、XL=2Ω、XC=4Ω,當接於= 12∠00V 之電源電壓時,試求該電路之 QL=?VAR(A)12(B)36(C)48 (D)72
15.如圖所示之 RLC 並聯交流電路,設負載元件 R=3Ω、XL=2Ω、XC=4Ω,當接於= 12∠00V 之電源電壓時,試求該電路之 QC=?VAR(A)-12(B)-36(C)-48 (D)-72
16.如圖所示之 RLC 並聯交流電路,設負載元件 R=3Ω、XL=2Ω、XC=4Ω,當接於 = 12∠00V 之電源電壓時,試求該電路之 Q=?VAR(A)12(B)36(C)48 (D)72
17.如圖所示之 RLC 並聯交流電路,設負載元件 R=3Ω、XL=2Ω、XC=4Ω,當接於= 12∠00V 之電源電壓時,試求該電路之 S=?VA(A)12(B)20(C)60(D)100
18.如圖所示之 RLC 並聯交流電路,設負載元件 R=3Ω、XL=2Ω、XC=4Ω,當接於= 12∠00V 之電源電壓時,試求該電路之 PF=?(A)0.5,超前 (B) 0.5,落後 (C) 0.6,超前 (D) 0.8,落後
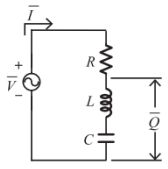
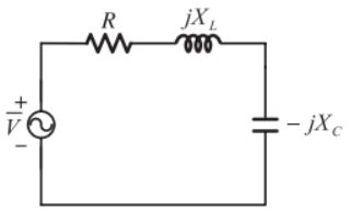
19.如圖所示之電路,已知電路之功率因數為 0.6,XL=6Ω,則電路之 R 為何?(統測 108)(A) 8Ω (B) 12Ω (C) 15Ω (D) 18Ω
20.電路如圖所示,弦波電壓源之有效值為 200V,R = 40Ω、XL = 60Ω、XC = 30Ω 則下列敘述何者正確? (統測 107) (A) 電路的功率因數 PF = 0.8 (B) 電源供給的平均功率 P = 1000W (C) 電源供給的虛功率 Q = 1000VAR (D) 電源提供的視在功率 S = 1000VA