阿摩線上測驗
登入
首頁
>
技檢◆電器修護-乙級
> 114年 - 01000 電器修護 乙級 工作項目 03:工作方法 1-50(2025/10/08 更新)#131898
114年 - 01000 電器修護 乙級 工作項目 03:工作方法 1-50(2025/10/08 更新)#131898
科目:
技檢◆電器修護-乙級 |
年份:
114年 |
選擇題數:
50 |
申論題數:
0
試卷資訊
所屬科目:
技檢◆電器修護-乙級
選擇題 (50)
1. 如下圖 a 為 110V、700W 的電熱絲,當於煮飯時,每分鐘發出多少熱量?
(A)10.08kcal (B)77kcal (C)17.28kcal (D)18.48kcal 。
2. 如下圖於保溫時,總瓦特數為
(A)750W (B)50W (C)46.6W (D)137.5W 。
3.
如左圖之總阻抗為 (A)10Ω (B)20Ω (C)30Ω (D)40Ω 。
4. 冷凍系統中,下列何者是冷媒充填量與冷凍能力之特性為: (A)
(B)
(C)
(D)
。
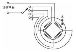
5. 一般電風扇馬達,利用電容器來啟動,其啟動線圈 (A)串聯電阻 (B)串聯二極體 (C)並聯電容器 (D)串聯電容器 。
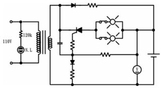
6. 如下圖為緊急照明燈電路,其中 120k 之電阻器主要作用為
(A)放電 (B)增加霓虹燈的亮度 (C)改善功率因數 (D)保護霓虹燈 。
7. 氣銲回火時應 (A)先關氧氣,再關乙炔 (B)先關乙炔,再關氧氣 (C)兩者同時關閉 (D)沒有先後限制 。
8. 電阻並聯的公式為: (A)R=r
1
+r
2
+......+r
n
(B)R=r
1
r
2
/(r
1
+r
2
) (C)R=1/r
1
+1/r
2
+......+1/rn(D)R=r
2
/r
1
+r
3
/r
2
+......+r
n
/(r
n - 1
) 。
9. 有一電動機,其電功率為 0.45kW,電壓為 100V,電流為 5.0A,則其功率因數為 (A)0.45 (B)0.8 (C)0.9 (D)1.0 。
10. 有一電阻器在 20℃時為 2Ω,在 30℃時為 3Ω,則此電阻器在 20℃時之溫度係數為 (A)0.001/℃ (B)0.002/℃ (C)0.005/℃ (D)0.008/℃ 。
11. 電動機啟動時,離心力開關是與 (A)啟動線圈串聯 (B)行駛線圈串聯 (C)行駛線圈並聯 (D)啟動線圈並聯 後再並接於電源。
12. 電容器 C
1
與 C
2
並聯後,其電容量為 (A)C
1
+C
2
(B)C
1
×C
2
(C)C
1
÷C
2
(D)(C
1
×C
2
)/(C
1
+C
2
) 。
13. 「降壓調速法」是將抗流圈與電動機之繞組串聯,目的是在控制電動機(A)線圈兩端之電壓值 (B)線圈之電抗值 (C)線圈之電阻值 (D)線圈之電流值 。
14. 一個電容啟動式電動機,Cr 電容器用於運轉,Cs 電容器只用於啟動時,其 Cr 與 Cs 之關係為 (A)Cr>Cs (B)Cr<Cs (C)Cr=Cs (D)Cs=∞ (Cr=0) 。
15. 洗衣機馬達轉速之調整以 (A)降壓法 (B)繞組法 (C)極數變換法 (D)無段變速法 控制。
16. 電容啟動式馬達,其離心力開關應 (A)串接啟動線圈 (B)並接啟動線圈 (C)串接電容器 (D)並接電容器 。
17. 洗衣機馬達會轉但轉盤不轉,其不可能的原因為 (A)V 型皮帶過鬆 (B)主傳動軸與從動軸固定螺絲鬆動 (C)V 型皮帶斷裂 (D)定時開關損壞 。
18. 如下圖為一調速馬達之電路,當旋轉開關旋至那一個接點可得到最高轉速?
(A)1 (B)2 (C)3 (D)4 。
19. 洗衣機馬達不轉動但有嗡嗡聲,其最可能的原因為 (A)定時開關損壞 (B)停電 (C)電壓太低 (D)水位開關損壞 。
20. 4P 的單相感應電動機其同步轉 (A)1200RPM (B)1600RPM (C)1800RPM (D)2400RPM 。
21. 脫水機脫水原理,是利用 (A)向心力 (B)重力 (C)離心力 (D)反作用力 。
22. 為防止洗衣機漏電,可將 (A)電源線更換 (B)洗衣機接地線接於 PVC 水管上 (C)將洗衣機墊上絕緣物 (D)洗衣機接地線接於金屬水管上 。
23. 洗衣機之定時開關內有 (A)計時開關 (B)換向開關 (C)離心開關 (D)計時及換向開關 。
24. 給水開關受 (A)計時開關 (B)換向開關 (C)水位壓力開關 (D)水流開關 控制。
25. 脫水馬達之線圈電阻值為 (A)行駛線圈較大 (B)啟動線圈較大 (C)兩者一樣大 (D)啟動線圈較小 。
26. 脫水馬達於電壓正常下脫水時,轉速很慢的原因為 (A)啟動電容器斷路(B)衣服放置太多 (C)煞車系統卡住 (D)煞車控制鋼索太緊 。
27. 全自動洗衣機進水水壓,一般約在 (A)0.2~8kg/cm
2
(B)10~18kg/cm
2
(C)15~20kg/cm
2
(D)1.5~2.0kg/cm
2
之間。
28. 洗衣機運轉時有噪音,其不可能的原因為 (A)皮帶過緊 (B)轉軸磨損太多(C)轉動盤偏心 (D)洗衣控制按鈕損壞 。
29. 電鬍刀馬達之轉子為 (A)凸極式 (B)凹極式 (C)鼠籠式 (D)離心式 。
30. 洗衣機之脫乾度以 (A)40﹪ (B)50﹪ (C)60﹪ (D)70﹪ 以上為合格。
31. 脫水馬達不能啟動,有嗡嗡聲,用手撥動即可運轉,其不可能的原因為(A)電容器短路 (B)電容器斷路 (C)行駛線圈斷線 (D)電壓過低 。
32. 電動機運轉時過熱的原因為 (A)負載太小 (B)場繞組斷路 (C)場繞組短路(D)無負載 。
33. 吹風機馬達的型式為 (A)串激式 (B)分相式 (C)推斥式 (D)蔽極式 。
34. 吸塵器過濾網堵塞,下列何者正確? (A)正常操作無影響 (B)馬達可能燒毀 (C)吸力增強 (D)產生強烈震動 。
35. 電冰箱殺菌燈所使用的光線為 (A)紅外線 (B)紫外線 (C)X 光線 (D)γ射線 。
36. 一般電鍋修護後,在常溫時,其動作機構約幾分鐘後跳脫為正常 (A)3~4 分鐘 (B)6~8 分鐘 (C)10~12 分鐘 (D)13~15 分鐘 。
37. 修理電爐電熱絲斷線的最佳方法為 (A)壓接接合 (B)換新 (C)絞接後加玻璃粉 (D)銲錫溶接 。
38. 下列原因何者為電爐不熱不可能發生的原因 (A)熱絲燒斷 (B)插座沒電 (C)插頭損壞 (D)電熱絲負荷太小 。
39. 電暖器倒下後依然發熱,其可能的故障為 (A)電熱絲斷線 (B)風扇馬達損壞 (C)微動開關損壞 (D)操作開關不良 。
40. 電暖氣有風無熱其可能的故障為 (A)馬達斷線 (B)微動開關斷線 (C)電熱絲斷線 (D)電源開關熔絲燒斷 。
41. 一公斤的水結成冰時,其吸收的熱量為 (A)80kcal (B)80cal (C)80BTU (D)80kg 。
42. 空氣的容積與壓力成 (A)正比 (B)反比 (C)平方正比 (D)平方反比 之關係。
43. 焓的單位為 (A)kcal (B)kcal/hr (C)kcal/kg (D)kcal/km 。
44. 下列壓力的單位何者為錯誤的? (A)Lb/in
2
(B)kg/㎝
2
(C)Lb/ft
2
(D)kg/kg
2
。
45. 一個英制冷凍噸相當於 (A)3,024kcal/hr (B)3,320kcal/hr (C)10,000BTU/hr(D)13,850BTU/hr 。
46. 下列隔熱材料何者最易燃燒 (A)世紀龍 (B)普利龍 (C)玻璃棉 (D)石棉板 。
47. 一般分離式冷氣機其冷媒管路超過多少公尺需補充冷媒? (A)5 公尺 (B)10 公尺 (C)15 公尺 (D)50 公尺 。
48. 當物質的型態改變而其溫度不變產生的熱量,下列何者錯誤? (A)汽化熱 (B)溶解熱 (C)潛熱 (D)顯熱 。
49. 一般冷氣機電冰箱之乾燥器內裝的是 (A)矽膠 (B)鹽 (C)海綿 (D)石灰粉 。
50. 若一窗型冷氣機之散熱風口面積為 40cm×50cm,風扇之風速為20m/min,則其散熱風量為 (A)2m
3
/min (B)4m
3
/min (C)20m
3
/min (D)40m
3
/min 。
申論題 (0)
相關試卷
114年 - 01000 電器修護 乙級 工作項目 08:特性測定 1-17(2025/10/08 更新)#131911
114年 · #131911
114年 - 01000 電器修護 乙級 工作項目 07:檢查及故障排除(冷凍類) 101-139(2025/10/08 更新)#131910
114年 · #131910
114年 - 01000 電器修護 乙級 工作項目 07:檢查及故障排除(冷凍類) 51-100(2025/10/08 更新)#131909
114年 · #131909
114年 - 01000 電器修護 乙級 工作項目 07:檢查及故障排除(冷凍類) 1-50(2025/10/08 更新)#131908
114年 · #131908
114年 - 01000 電器修護 乙級 工作項目 06:裝修及調整(電動類) 101-130(2025/10/08 更新)#131907
114年 · #131907
114年 - 01000 電器修護 乙級 工作項目 06:裝修及調整(電動類) 51-100(2025/10/08 更新)#131906
114年 · #131906
114年 - 01000 電器修護 乙級 工作項目 06:裝修及調整(電動類) 1-50(2025/10/08 更新)#131905
114年 · #131905
114年 - 01000 電器修護 乙級 工作項目 05:裝修及調整(電熱類) 51-112(2025/10/08 更新)#131904
114年 · #131904
114年 - 01000 電器修護 乙級 工作項目 05:裝修及調整(電熱類) 1-50(2025/10/08 更新)#131903
114年 · #131903
114年 - 01000 電器修護 乙級 工作項目 04:裝修及調整(照明類) 51-89(2025/10/08 更新)#131902
114年 · #131902