阿摩線上測驗
登入
首頁
>
技檢◆電器修護-乙級
> 114年 - 01000 電器修護 乙級 工作項目 03:工作方法 51-100(2025/10/08 更新)#131899
114年 - 01000 電器修護 乙級 工作項目 03:工作方法 51-100(2025/10/08 更新)#131899
科目:
技檢◆電器修護-乙級 |
年份:
114年 |
選擇題數:
50 |
申論題數:
0
試卷資訊
所屬科目:
技檢◆電器修護-乙級
選擇題 (50)
51. 若已知一冰箱的冷媒流量為 10kg/hr,其壓縮機冷媒所做的功為12kcal/kg,則其冰箱的冷凍容量為 (A)120kcal/kg (B)120kcal/kghr (C)120kcal/hr (D)120kcal 。
52. 相對溼度的單位為 (A)kg/kg (B)m
3
/kg (C)kg/m
3
(D)% 。
53. 氣體的壓力與溫度成 (A)正比 (B)反比 (C)相等 (D)無關 。
54. 人體在排汗後,會感覺較 (A)躁熱 (B)涼爽 (C)悶熱 (D)寒冷 。
55. 在空調負載估算時,一天當中,最熱的時段約為 (A)上午 10 時 (B)中午12 時 (C)下午 2 時 (D)下午 4 時 。
56. 有一電線若其線徑由 1.6mm 增為 3.2mm,則其電阻應為原來的 (A)2 (B)4(C)1/2 (D)1/4 倍。
57. 美國線規(A.W.G)之線號為 (A)每增大三號,電阻約增大一倍 (B)愈小,電阻愈大 (C)愈大,電阻愈小 (D)愈小,直徑愈小 。
58. 熱功當量等於 (A)4.186 J/kcal (B)4.186 J/cal (C)4.186 kcal/J (D)4.186cal/J 。
59. A、B 兩銅條,A 長為 100cm,截面積為 4cm
2
,B 長為 200cm,截面積為 2cm
2
,則其電阻比 r
A
:r
B
為 (A)1:2 (B)2:1 (C)1:4 (D)4:1 。
60. 下列各種絕緣物質中,何者介質強度最大? (A)空氣 (B)絕緣油 (C)蒸餾水(D)雲母 。
61. 將帶有+10 庫倫之電荷,從 A 點移至 B 點,需 10 焦耳的功,則此兩點間有 (A)1 伏特電位差 (B)1 歐姆 (C)10 伏特電位差 (D)10 安培 。
62. 一伏特的直流電壓加在一電容器上,若電容器所儲存之電子數為 6.24×101 8 個,則此電容器的電容量為 (A)0.1 法拉 (B)0.5 法拉 (C)1 法拉 (D)6.24法拉 。
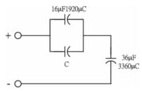
63. 如下圖中所示,電容 C 之值為多少?
(A)16μF (B)12μF (C)8μF (D)4μF 。
64. 如下圖中所示,S 接通後電燈會
(A)一直很亮 (B)完全不亮 (C)燒毀 (D)亮一下 。
65. 下列電容器中,何者耐壓最低? (A)電解電容器 (B)紙質電容器 (C)油質電容器 (D)陶質電容器 。
66. 已知 C
1
=4μF 耐壓 600V,C
2
=6μF 耐壓 500V,C
3
=12μF 耐壓300V,則三者並聯後,所能承受之最大電壓為 (A)1400V (B)600V (C)500V (D)300V 。
67. 已知 C
1
=4μF 耐壓 600V,C
2
=6μF 耐壓 500V,C
3
=12μF 耐壓300V,則三者串聯後,所能承受之最大電壓為 (A)1200V (B)600V (C)500V (D)300V 。
68. 磁性物質在磁化過程中,如溫度增加,則其導磁係數之大小 (A)與溫度無關而保持定值 (B)隨之增加 (C)隨之減少 (D)可能增加亦可能減少 。
69. 磁蔽屏之材料應 (A)導磁係數小 (B)導磁係數大 (C)剩磁小 (D)剩磁大 。
70. 韋伯係 (A)磁力線數單位 (B)磁場強度實用單位 (C)磁通密度實用單位 (D)磁通量實用單位 。
71. 有一線圈匝數為 1000 匝,感應電勢為 10 伏,此線圈內磁通每秒變更為(A)0.001 (B)0.01 (C)0.1 (D)1 韋伯。
72. 若螺線管之圈數為 500 匝,電流為 4 安培,產生之磁通為 2×10
2
,則此螺線管之電感量為 (A)1.5 (B)2.5 (C)5.625 (D)10 亨利。
73. 變壓器鐵心採用薄鐵片組成之目的在減少 (A)銅損 (B)鐵損 (C)介質損失(D)渦流損失 。
74. 由法拉第定理得知,通過線圈之磁通量若呈線性增加,則線圈兩端電壓為 (A)定值 (B)亦呈線性增加 (C)呈線性下降 (D)呈非線性變化 。
75. R
1
與 R
2
並聯於某電源時,各消耗 200W 及 100W 之電功率,已知 R
1
=100Ω,則 R
2
為 (A)50 (B)150 (C)200 (D)400 Ω。
76. 三個電阻並聯,其電阻分別為 5Ω,10Ω,15Ω,若流經 5Ω之電流為6A,則其總電流為 (A)9 (B)11 (C)13 (D)15 A。
77. 由克希荷夫之電流定律中,說明進入一節點之電流必 (A)等於此節點流出之電流 (B)大於此節點流出之電流 (C)小於此節點流出之電流 (D)和流出節點電流無關 。
78. 一訊號源輸出開路時,電壓為 10V,若接上 100Ω之電阻後,電壓降為8V,則訊號源內阻為多少Ω? (A)12.5 (B)25 (C)50 (D)100 。
79. 當功率因數為 1 時,則電壓與電流之相位差為 (A)90° (B)60° (C)30° (D)0° 。
80. 一個電阻串聯,其電阻分別為 10Ω、20Ω、30Ω,若其電源電壓為120V,則流經 30Ω之電壓為 (A)20V (B)40V (C)60V (D)120V 。
81. 30Ω之電熱線通過 10A 之電流,其所消耗之電力為 (A)600W (B)1200W(C)2400W (D)3000W 。
82. 有一電熱線電阻 10W,外加電壓 110V,通電 10 分鐘時所產生之熱量約為多少仟卡? (A)144 (B)174 (C)2882 (D)348 。
83. 有一電熱線長為 L 公尺,功率 1000W,若其長度變為原來之 90%,則其功率約為多少? (A)900W (B)1000W (C)1100W (D)1200W 。
84. 100V,1000W 之電爐接上 90V 之電源,如欲將 1000g,20°C 之水煮到80℃,問需經過多少時間? (A)30 秒 (B)50 秒 (C)5 分 (D)10 分 。
85. 800W,110 伏特之電鍋其功率因數約為 (A)0.5 (B)0.6 (C)0.8 (D)1 。
86. 電磁感應中,應電勢產生的磁通與磁力線變化方向 (A)相同 (B)相反 (C)垂直 (D)相差 45° 。
87. 線圈感應電勢的極性可由下列何種定律決定? (A)法拉第定律 (B)安培定律 (C)庫侖定律 (D)楞次定律 。
88. 佛來明左手定則中,食指所指的方向是 (A)磁場方向 (B)感應電勢方向 (C)電流受力方向 (D)外加電流方向 。
89. 佛來明左手定則中,中指所指的方向是 (A)磁場方向 (B)感應電勢方向 (C)電流受力方向 (D)外加電流方向 。
90. 下列何種定律又稱電動機定則? (A)佛來明右手定則 (B)佛來明左手定則(C)法拉第定律 (D)安培右手定則 。
複選題
91. 電動機改變轉速常用方法有 (A)降壓調速法 (B)變極數調速法 (C)變頻調速法 (D)蔽極調速法 。
複選題
92. 壓力常用單位有 (A)kg/cm
2
(B)psia (C)MPa (D)m
3
/hr 。
複選題
93. 電熱類家電設備常用的安全保護裝置為 (A)防傾倒安全開關 (B)計時開關(C)溫度保險絲 (D)保險絲 。
複選題
94. 一般家電設備使用何種零件做功能控制? (A)選擇開關 (B)旋鈕開關 (C)定時開關 (D)保險絲 。
複選題
95. 全自動洗衣機無法自動進水,可能故障原因有 (A)給水電磁閥故障 (B)水位開關故障 (C)水壓室導管斷裂 (D)水龍頭沒開 。
複選題
96. 1 大氣壓力是指北緯 45 度海平面上所測得壓力達 (A)760mm-Hg (B)1.033Kg/cm
2
(C)29.92in-Hg (D)760mm-H
2
O 。
複選題
97. 吸塵器馬達不轉動的可能原因有 (A)電刷耗損 (B)保險絲燒斷 (C)馬達線圈燒毀 (D)軸承損壞 。
複選題
98. 下列有關電阻大小之敘述,何者正確? (A)與材料長度成正比 (B)與材料截面積成反比 (C)與材料直徑成反比 (D)與材料材質無關 。
複選題
99. 當物質的型態改變而其溫度不變時,產生的熱量有哪些? (A)汽化熱 (B)溶解熱 (C)潛熱 (D)顯熱 。
複選題
100. 下列何者為溫度常用之單位? (A)℃ (B)℉ (C)K (D)Z 。
申論題 (0)
相關試卷
114年 - 01000 電器修護 乙級 工作項目 08:特性測定 1-17(2025/10/08 更新)#131911
114年 · #131911
114年 - 01000 電器修護 乙級 工作項目 07:檢查及故障排除(冷凍類) 101-139(2025/10/08 更新)#131910
114年 · #131910
114年 - 01000 電器修護 乙級 工作項目 07:檢查及故障排除(冷凍類) 51-100(2025/10/08 更新)#131909
114年 · #131909
114年 - 01000 電器修護 乙級 工作項目 07:檢查及故障排除(冷凍類) 1-50(2025/10/08 更新)#131908
114年 · #131908
114年 - 01000 電器修護 乙級 工作項目 06:裝修及調整(電動類) 101-130(2025/10/08 更新)#131907
114年 · #131907
114年 - 01000 電器修護 乙級 工作項目 06:裝修及調整(電動類) 51-100(2025/10/08 更新)#131906
114年 · #131906
114年 - 01000 電器修護 乙級 工作項目 06:裝修及調整(電動類) 1-50(2025/10/08 更新)#131905
114年 · #131905
114年 - 01000 電器修護 乙級 工作項目 05:裝修及調整(電熱類) 51-112(2025/10/08 更新)#131904
114年 · #131904
114年 - 01000 電器修護 乙級 工作項目 05:裝修及調整(電熱類) 1-50(2025/10/08 更新)#131903
114年 · #131903
114年 - 01000 電器修護 乙級 工作項目 04:裝修及調整(照明類) 51-89(2025/10/08 更新)#131902
114年 · #131902