阿摩線上測驗
登入
首頁
>
初等/五等/佐級◆電子學大意
> 93年 - 93 地方政府特種考試_五等_電子工程:電子學大意#18254
93年 - 93 地方政府特種考試_五等_電子工程:電子學大意#18254
科目:
初等/五等/佐級◆電子學大意 |
年份:
93年 |
選擇題數:
40 |
申論題數:
0
試卷資訊
所屬科目:
初等/五等/佐級◆電子學大意
選擇題 (40)
1 當運算放大器作比較器時的敘述何者正確? (A)有虛地(Virtual Ground)效應 (B)操作在飽和區 (C)操作在線性區 (D)輸出阻抗=∞
2 下圖電路輸出何者正確?
3 關於雙極性接面電晶體(BJT)截止(Cutoff)時的敘述何者正確? (A)射極基極介面(EBJ)為順向偏壓,集極基極介面(CBJ)為順向偏壓 (B)射極基極介面(EBJ)為順向偏壓,集極基極介面(CBJ)為反向偏壓 (C)射極基極介面(EBJ)為反向偏壓,集極基極介面(CBJ)為順向偏壓 (D)射極基極介面(EBJ)為反向偏壓,集極基極介面(CBJ)為反向偏壓
4 雙極性接面電晶體(BJT)截面圖如下圖,下列敘述何者正確?
(A)X 為射極(E),Y 為基極(B),Z 為集極(C) (B)X 為射極(E),Z 為基極(B),Y 為集極(C) (C)Z 為射極(E),Y 為基極(B),X 為集極(C) (D)Y 為射極(E),X 為基極(B),Z 為集極(C)
5 若 A、B 為常數,關於濾波器轉移函數 T(S)=A/(S+B)的敘述下列何者正確? (A)高通(High pass) (B)低通(Low Pass) (C)帶通(Band Pass) (D)全通(All Pass)
6 右圖的等效電路為何?
(A)電容 (B)電感 (C)電阻 (D)二極體
7 右圖為何種電路?
(A)共射極電路 (B)共基極電路 (C)共集極電路 (D)振盪路
8 下列何者在直流分析時為斷路? (A)電阻(B)電感(C)電容(D)二極體
9 若忽略二極體壓降,且 VB>0,下圖之輸入輸出(Vi-Vo)關係為何?
(A)Vo=極大值(Vi-VB, 0) (B)Vo=極大值(Vi+VB, 0) (C)Vo=極小值(Vi-VB, 0) (D)Vo=極小值(Vi+VB, 0)
10 場效電晶體(FET)之門檻(threshold)電壓 Vth之敘述何者正確? (A)加強型(enhancement)NMOS Vth<0 (B)乏型(depletion)NMOS Vth>0 (C)加強型(enhancement)PMOS Vth>0 (D)加強型(enhancement)PMOS Vth<0
11 關於共基極(CB)放大器的敘述何者正確? (A)電壓增益≈ 1 (B)電壓增益<1 (C)電流增益≈ 1 (D)電流增益>1
12 關於 TO3 功率電晶體(Power Transistor)的敘述何者正確? (A)不需金屬包裝(Package)散熱 (B)射極連接外殼包裝 (C)基極連接外殼包裝 (D)集極連接外殼包裝
13 積體電路工廠 90 奈米(nm)製程是指多少米的製程? (A)9.0×10
-6
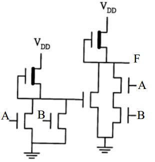
(B)9.0×10
-7
(C)9.0×10
-8
(D)9.0×10
-9
14 關於 741 運算放大器(Op Amp)的敘述何者正確? (A)輸出級有保護電路 (B)3dB 頻率≈ 數百 Hz (C)電壓增益≈ 1 (D)有回饋(feedback)電容跨接輸入級兩端
15 下圖為何種電晶體?
(A)PMOS 場效電晶體 (B)NMOS 場效電晶體 (C)NPN 雙極性接面電晶體(BJT) (D)PNP 雙極性接面電晶體(BJT)
16 關於下圖跟隨速率(Slew rate)的敘述,下列何者正確?
(A)跟隨速率=最小值(輸入電壓,輸出電壓) (B)跟隨速率=0 (C)跟隨速率=斜率 S (D)跟隨速率=∞
17 下列關於史密特觸發器(Schmitt trigger)輸入輸出關係的敘述何者正確? (A)有身體效應(Body Effect) (B)有米勒效應(Miller Effect) (C)符合巴克豪森準則(Barkhausen Criterion) (D)有磁滯效應(Hysteresis Effect)
18 下列關於交換式電容(Switched-Capacitor)濾波器的敘述何者正確? (A)等效電阻和時脈頻率成正比 (B)等效電阻和電容成正比 (C)等效電阻和電容成反比 (D)等效電阻和電容成無關
19 下式為韋恩(Wien)振盪器之轉移(transfer)方程式,則下列敘述何者正確?
20 關於共源極(Common-Source)NMOS 場效電晶體的簡化小信號等效電路為何? (A)電壓控制之電流源(B)電流控制之電壓源(C)電壓控制之電壓源(D)電流控制之電流源
21 下圖輸入偏壓電流補償電路之關係為何?
(A)R1=R2+R3(B)R3=R1+R2(C)R3=R1||R2(D)R2=R1||R3
22 傳統 CMOS 反及(NAND)閘的連接方式為何? (A)NMOS 串聯,PMOS 並聯 (B)NMOS 並聯,PMOS 串聯 (C)NMOS 串聯,PMOS 串聯 (D)NMOS 並聯,PMOS 並聯
23 傳統 CMOS 的功率消耗(Power dissipation)敘述何者正確? (A)靜態功率消耗很大 (B)靜態功率消耗≈ 0 (C)動態功率消耗≈ 0 (D)動態功率消耗和頻率成反比
24 若 NMOS 及 PMOS 之門檻(threshold)電壓分別為 VTN及 VTP,CMOS 傳輸(Transmission)閘傳遞邏輯-0 及邏輯-1 之電壓值為何? (A)邏輯-0=VDD,邏輯-1=0 (B)邏輯-0=VTN,邏輯-1=VDD (C)邏輯-0=0,邏輯-1=VDD (D)邏輯-0=VTN,邏輯-1=VDD-|VTP|
25 加強型(Enhancement)NMOS 及加強型 PMOS 之門檻(threshold)電壓分別為 VTN及 VTP,下列敘述何者 正確? (A)VTN>0 及 VTP>0 (B)VTN>0 及 VTP<0 (C)VTN<0 及 VTP>0 (D)VTN<0 及 VTP<0
26 二級之積體電路運算放大器,其頻率補償電路跨接何級? (A)輸出級(B)輸入級(C)偏壓級(D)短路保護電路
27 下圖為用於變換電容(Switched Capacitor)濾波器之電路,時脈 1 和時脈 2 關係為何?
(A)時脈 1 和時脈 2 頻率相同、可重疊 (B)時脈 1 和時脈 2 頻率相同、不可重疊 (C)時脈 1 和時脈 2 無關 (D)時脈 1 和時脈 2 頻率不相同
28 有關放大器輸出穩定時,極點和 S 平面的關係何者正確? (A)極點落在 S 平面第二、三象限(左半面) (B)極點落在 S 平面第一、四象限(右半面) (C)極點落在 S 平面 jω 軸上 (D)極點落在 S 平面σ 軸上
29 若 NMOS 場效電晶體(FET)之汲極源極電壓 VDS>閘極源極電壓 VGS>門檻(threshold)電壓 Vth,下列何 者正確? (A)電晶體操作在非飽和區(B)電晶體操作在飽和區 (C)電晶體截止(D)電晶體操作在飽和區和非飽和區交界處
30 關於場效電晶體(FET)之閘極電容的敘述,下列何者正確? (A)與場效電晶體(FET)閘極之通道長度成反比 (B)與場效電晶體(FET)閘極之通道寬度成反比 (C)與場效電晶體(FET)閘極之通道面積成反比 (D)與場效電晶體(FET)閘極之通道面積成正比
31 將一電容值為 C 的電容跨接於增益為 A 的放大器輸出端及輸入端,其等效輸入米勒(Miller)電容值為何? (A, C>0) (A)C(1+A) (B)C(1-A) (C)C(1 +1/A) (D)C(1-1/A)
32 下列場效電晶體(FET)之反向器(Inverter)的負載,何者有最大汲極(Drain)平均電流? (A)電阻 (B)加強型(Enhancement)PMOS (C)乏型(Depletion)NMOS (D)加強型 NMOS
33 加強型(Enhancement)NMOS 之門檻(threshold)電壓為 VTN,則加強型 NMOS 負載的場效電晶體(FET) 反向器(Inverter)之正常輸出電壓為下列何者? (A)VDD(B)VDD-VTN(C)0(D)VTN
34 右圖之敘述何者正確?
(A)布林函數 F=AB+C (B)布林函數 F=(A+B)C (C)F 正常最大輸出電壓為 VDD (D)F 正常最大輸出電壓為(VDD-VTN)
35 頻率在零(Zero)點時,轉移函數(Transfer Function)的數值為何? (A)0(B)1(C)轉移函數最大值(D)無限大
36 場效電晶體(FET)閘極之通道長度為 L 和閘極之通道寬度為 W,若兩顆相同的場效電晶體(FET)串連, 則等效通道長度寬度比(L/W)為何? (A)0.5(B)1(C)2(D)0
37 右圖電路之輸出邏輯函數 F 為何?
38 右圖電路為何種電路?
(A)TTL 或閘(OR) (B)TTL 反或閘(NOR) (C)ECL 或閘(OR) (D)ECL 反或閘(NOR)
39 右圖電路何者敘述正確?
(A)NMOS 動態隨機存取記憶體細胞 (B)NMOS 靜態隨機存取記憶體細胞 (C)CMOS 動態隨機存取記憶體細胞 (D)CMOS 靜態隨機存取記憶體細胞
40 下列 TTL 敘述何者最正確? (A)速度比 ECL 快 (B)速度比 CMOS 及 ECL 慢 (C)速度比 CMOS 快 (D)速度比 CMOS 及 ECL 快
申論題 (0)