阿摩線上測驗
登入
首頁
>
電子學
> 95年 - 95 地方政府特種考試_三等_電力工程、電子工程:電子學#50437
95年 - 95 地方政府特種考試_三等_電力工程、電子工程:電子學#50437
科目:
電子學 |
年份:
95年 |
選擇題數:
0 |
申論題數:
9
試卷資訊
所屬科目:
電子學
選擇題 (0)
申論題 (9)
【已刪除】一、圖 1 中試求出所有節點的電壓和所有分路電流。已知β=100,且電晶體導通時, 基極與射極間的電壓降約為 0.7 伏特。(15 分)
⑴ Q
1
電晶體的互導值 g
m1
及
⑵小信號電壓增益 A
v
。(20 分)
【已刪除】三、使用回授法求圖 3 中反相運算放大器的電壓增益
輸入電阻 R
in
,以及輸出電阻 R
out
。已知運算放大器開迴路增益為 10
4
,R
id
(輸入差動電阻)為 100 kΩ,且輸出電阻 γ
0
為 1 kΩ。(20 分)
【已刪除】四、圖 4 電路中運算放大器的飽和電壓為 ± 10 伏特,R
1
=100 kΩ,R
2
=R=1 MΩ,C= 0.01μF,試求振盪頻率。(15 分)
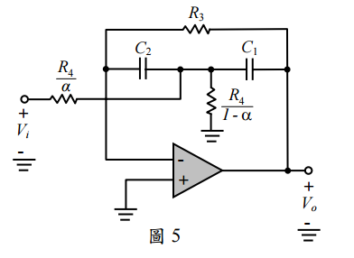
五、圖 5 電路中,試由
,轉移函數(Transfer Function)中,證明該電路為一帶通 Vi (s) 濾波器(Bandpass Filter)。(15 分)
⑴電流鏡(Current Mirror),
⑵設定/重設定正反器(SR Flip-Flop),
⑶截 波器(Clipper)。(15 分)
相關試卷
115年 - 115-1 臺北市立大安高工教師甄選試題_電子/控制科:電子學#138452
115年 · #138452
115年 - 115 國營臺灣鐵路股份有限公司從業人員_甄試試題_第10階-助理技術員-電力、電務:電子學概要#138261
115年 · #138261
114年 - 114 地方政府公務特種考試_三等_電力工程、電子工程、電信工程:電子學#134800
114年 · #134800
114年 - 114 地方政府公務特種考試_四等_電力工程、電子工程、電信工程:電子學概要#134742
114年 · #134742
114年 - 114 專技高考_電子工程技師:電子學#133712
114年 · #133712
114年 - 114 公務升官等考試_薦任_電力工程、電子工程、電信工程:電子學#133247
114年 · #133247
114年 - 114 原住民族特種考試_四等_電子工程:電子學概要#130947
114年 · #130947
114年 - 114 專技高考_專利師(選試專業英文及電子學)、專利師(選試專業日文及電子學):電子學#130110
114年 · #130110
114年 - 114 普通考試_電力工程、電子工程、電信工程:電子學概要#128790
114年 · #128790
114年 - 114 高等考試_三級_電力工程、電子工程、電信工程:電子學#128768
114年 · #128768