阿摩線上測驗
登入
首頁
>
電子學
> 95年 - 95 身心障礙特種考試_四等_電子工程:電子學概要#50429
95年 - 95 身心障礙特種考試_四等_電子工程:電子學概要#50429
科目:
電子學 |
年份:
95年 |
選擇題數:
0 |
申論題數:
5
試卷資訊
所屬科目:
電子學
選擇題 (0)
申論題 (5)
【已刪除】一、如(圖一)所示電路中,參數β=100,試求使得 V
CE
= 2.5V 之 R
E
電阻值。(20 分)
二、如(圖二)之共基極(common base)電路所示,β=125,V
A
= ∞,V
CC
=18V, R
L
= 4 kΩ,R
E
= 3 kΩ,R
C
= 4 kΩ,R
1
= 25.6 kΩ,R
2
= 10.4 kΩ,試求其小訊號電壓增 益 A
v
=v
o
/v
s
之數值。(20 分)
【已刪除】三、如(圖三)所示之反向器(inverter)電路,其中 N 通道增強型 MOSFET 之參數 為 k = 100μA / V
2
和 V
TH
= 0.2V。若當 V
I
= 0.7V 則 V
O
= 0.1V,試求 R
D
之電阻值。 (20 分)
【已刪除】四、由理想操作放大器所組成之電路如(圖四)所示,試求其增益 A
v
= v
o
/ v
I
之數值。 (20 分)
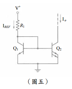
五、在(圖五)中之電晶體 Q
2
等效於兩顆電晶體並聯,每一個都與 Q
1
匹配,假設電晶 體之參數為 V
BE
(on) = 0.7V,β=50,且 V
A
= ∞,在 V
+
= 5V 條件下,設計此一電路 ) 使得 I
o
= 2 mA,則 I
REF
值為多少?(20 分)