阿摩線上測驗
登入
首頁
>
電力系統
> 96年 - 096年第二次警察人員、96年關務人員 、96年退除役軍人轉任電機工程(三等)#34450
96年 - 096年第二次警察人員、96年關務人員 、96年退除役軍人轉任電機工程(三等)#34450
科目:
電力系統 |
年份:
96年 |
選擇題數:
0 |
申論題數:
6
試卷資訊
所屬科目:
電力系統
選擇題 (0)
申論題 (6)
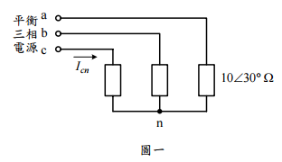
【已刪除】一、三個阻抗值均為10∠30° Ω的阻抗,以 Y 結線方式連接至一平衡三相電源,如圖一 所示。若電源電壓中之V
bc
= 416∠90° V,試求 I
cn
(以相量表示)。(20 分)
二、三相、60Hz、500 kV 輸電線長 300 km,每相輸電線電感為 0.97 mH/km、每相輸電 線電容為 0.0115 µF/km,假設該輸電線為無耗損輸電線(lossless line)。試求該輸 電線之相位常數(phase constant)β、突波阻抗(surge impedance)ZC、傳播速度 (velocity of propagation)v 及波長(wavelength)λ。(20 分)
【已刪除】三、有一電力系統如圖二所示,母線①是匱乏母線(Slack bus),且V1= 1.0∠ ° 0 pu ;母 線②是負載母線(Load bus),且 S
2
= 280 MW+ j 60 Mvar 。以 100 MVA 為基準之 輸電線阻抗標么值為 Z
12
=0.02 +0.04 pu 。試使用起始估計值 V
2
(0)
= 1.0+ j0.0 pu , 並利用高斯-賽德法(Gauss-Seidel method),求解V2,執行三次疊代。(20 分)
【已刪除】四、在圖三所示三相系統中,
a
相是在無負載狀況,而 b 與 c 相被短路至地。且已知電 流 I
b
= 91.65∠160.9° A及 I
n
= 60.00∠90° A。試求電流的對稱成分I
a
(0)
、I
a
(1)
與I
a
(2)
。 (20 分)
⑴試求其母線導納矩陣(Bus admittance matrix,
Y
Bus
)。(10 分)
⑵若母線①至③間之支路因故被移除,試利用⑴小題所得結果加以修正,求解該支 路被移除後之系統母線導納矩陣。(10 分)
相關試卷
115年 - 115 關務特種考試_三等_電機工程(選試英文):電力系統#138944
115年 · #138944
114年 - 114 地方政府公務特種考試_三等_電力工程:電力系統#134738
114年 · #134738
114年 - 114 專技高考_電機工程技師:電力系統#133708
114年 · #133708
114年 - 114 公務升官等考試_薦任_電力工程:電力系統#133165
114年 · #133165
114年 - 114 高等考試_二級_電力工程:電力系統#131586
114年 · #131586
114年 - 114 高等考試_三級_電力工程:電力系統#128774
114年 · #128774
114年 - 114 關務特種考試_三等_電機工程(選試英文):電力系統#126644
114年 · #126644
113年 - 113 臺灣菸酒股份有限公司_從業職員及從業評價職位人員甄試試題_電子電機:電力系統(含電路學)#133978
113年 · #133978
113年 - 113 地方政府公務特種考試_三等_電力工程:電力系統#124553
113年 · #124553
113年 - 113 專技高考_電機工程技師:電力系統#123952
113年 · #123952