阿摩線上測驗
登入
首頁
>
機動學與機械設計
> 96年 - 96 專技高考_機械工程技師:機動學與機械設計#38690
96年 - 96 專技高考_機械工程技師:機動學與機械設計#38690
科目:
機動學與機械設計 |
年份:
96年 |
選擇題數:
0 |
申論題數:
9
試卷資訊
所屬科目:
機動學與機械設計
選擇題 (0)
申論題 (9)
【已刪除】一、一平面連桿機構,如圖一所示,AB = 50,BC = CD = 100,AD = 80,長度單位為 mm; 若曲柄 AB 之角速度為 ω = 40 rad/sec(反時針方向)旋轉,等角加速度為 α = 700 rad/sec
2
(反時針方向),一呈水平滑動之滑塊,以連桿 CH 樞接,求樞接點 C 及樞接點 H 之速 度及加速度。(20 分)
⑴若齒環 1 為固定不動時,則齒輪 2 之轉速及方向為何?(10 分)
⑵若齒環 1 以 10 rpm 順時針方向等速旋轉時,則齒輪 2 之轉速及方向為何?(10 分)
【已刪除】三、一呈鉛直置放之圓柱形轉軸 A,其頂部水平設置一圓桿 B,該圓桿 B 之末端連接一 均質鐵球 M,如圖三所示,長度單位為 mm,若圓桿 B 之質量忽略不計,鐵球 M 之質量為 80 kg,轉軸 A 自靜止以等角加速度 α = 10 rad/sec
2
開始旋轉,當轉速 ω 達 300 rpm 時改為等速迴轉;若圓桿 B 為中碳鋼材質,其容許拉應力為 σa = 150 MPa,則圓 桿 B 之直徑應設計為若干 mm?(20 分)
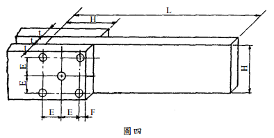
【已刪除】四、一鋼板結構以 5 支大小相同之中碳鋼螺栓結合,如圖四所示,L = 10,H = 0.5,E = 0.2, F = 0.05,t = 0.05,長度單位為 m;鋼板之比重為 8;螺栓受剪切之斷面均為圓形,其 容許剪應力為 τa = 100 MPa;請設計該螺栓之直徑(不考慮摩擦力)。(20 分)
⑴瞬心(instant center)
⑵偏心確動凸輪(eccentric positive return cam)
⑶剪力中心(shear center)
⑷推拔銷(taper pin)
相關試卷
114年 - 114 專技高考_機械工程技師:機動學與機械設計#133729
114年 · #133729
113年 - 113 專技高考_機械工程技師:機動學與機械設計#123959
113年 · #123959
112年 - 112 專技高考_機械工程技師:機動學與機械設計#117585
112年 · #117585
111年 - 111 專技高考_機械工程技師:機動學與機械設計#111930
111年 · #111930
110年 - 110 專技高考_機械工程技師:機動學與機械設計#104192
110年 · #104192
109年 - 109 專技高考_機械工程技師:機動學與機械設計#93281
109年 · #93281
108年 - 108 專技高考_機械工程技師:機動學與機械設計#80717
108年 · #80717
107年 - 107 專技高考_機械工程技師:機動學與機械設計#72941
107年 · #72941
106年 - 106 專技高考_機械工程技師:機動學與機械設計#66432
106年 · #66432
104年 - 104 專技高考_機械工程技師:機動學與機械設計#41836
104年 · #41836