阿摩線上測驗
登入
首頁
>
電子學
> 96年 - 96 身心障礙特種考試_四等_電力工程、電子工程:電子學概要#49842
96年 - 96 身心障礙特種考試_四等_電力工程、電子工程:電子學概要#49842
科目:
電子學 |
年份:
96年 |
選擇題數:
0 |
申論題數:
9
試卷資訊
所屬科目:
電子學
選擇題 (0)
申論題 (9)
⑴試畫出二極體組成之橋式整流器電路,並說明其如何完成全波整流工作。 (10 分)
⑵求一 Vp sinωt 之正弦波經半波整流後,其平均值及均方根值各為何?(10 分)
【已刪除】二、求以下電路圖中,b 點之電位為何?(20 分)
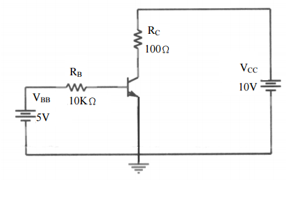
【已刪除】三、假設圖中電晶體的β
DC
=150,V
BE
=0.7V;試求 I
B
、I
E
、I
C
、V
CB
和 V
CE
各為何? (20 分)
⑴下圖中,運算放大器之 Z
in
=2MΩ,Z
out
=2MΩ,A
ol
=200,000,求輸入與輸出阻 抗各為何?(10 分)
⑵求閉環路電壓增益為何?(10 分)
⑴推導放大器電壓增益 A(s)≣V
O
(s)/V
S
(s)的表示式。(7 分)
⑵設 C
C
會使低頻增益與頻率有關,而 C
L
會造成高頻時增益下降,試求中帶電壓增 益(AM)為何?(7 分)
⑶若 R
S
=20KΩ,R
i
=100KΩ,R
L
=10KΩ,求使中帶增益為 20dB 時所需的 Gm 值為 何?(6 分)