阿摩線上測驗
登入
首頁
>
電子學
> 96年 - 96 高等考試_三級_電力工程、電子工程:電子學#49820
96年 - 96 高等考試_三級_電力工程、電子工程:電子學#49820
科目:
電子學 |
年份:
96年 |
選擇題數:
0 |
申論題數:
9
試卷資訊
所屬科目:
電子學
選擇題 (0)
申論題 (9)
一、試繪電路圖說明橋式整流器電路及輸出與輸入波形(假設輸入波形為正弦波)。 (15 分)
【已刪除】二、在圖 1 的電路中,量得 V
B
為+1.0V,V
E
為+1.7V。此電晶體的 α 和 β 值為何?集極 電壓 V
c
應為多少?(15 分)
⑴圖 2 所示為一 CMOS 共源極放大器,試說明電晶體 Q1、Q2 及 Q3 在此電路的功 能。
⑵試繪圖說明電晶體 Q2 的 i-v(電流-電壓)特性曲線。
⑶試繪圖說明 v
o
-v
I
(輸出電壓-輸入電壓)轉換特性曲線。 (20 分)
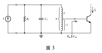
【已刪除】四、圖 3 所示為一調諧放大器的輸出接到另一個 BJT 放大器的輸入,若電感 L 為 5 微亨 (5µH),R
1
=1kΩ,若設計調諧放大器的頻率 f
o
為 55kHZ,3dB 頻寬為 1kΩ,且 BJT 的輸入電阻 R
in
=1kΩ,C
in
= 200pF,試求實際所得頻寬,及所需要的電容 C
1
值 。(15 分)
【已刪除】五、試求圖 4 中電路的轉換特性(即 v
o
-v
I
的特性曲線)。(15 分)
⑴試說明運算放大器 OP Amp 的功能。
⑵試說明回授放大器的優點及缺點。 (20 分)
相關試卷
115年 - 115-1 臺北市立大安高工教師甄選試題_電子/控制科:電子學#138452
115年 · #138452
115年 - 115 國營臺灣鐵路股份有限公司從業人員_甄試試題_第10階-助理技術員-電力、電務:電子學概要#138261
115年 · #138261
114年 - 114 地方政府公務特種考試_三等_電力工程、電子工程、電信工程:電子學#134800
114年 · #134800
114年 - 114 地方政府公務特種考試_四等_電力工程、電子工程、電信工程:電子學概要#134742
114年 · #134742
114年 - 114 專技高考_電子工程技師:電子學#133712
114年 · #133712
114年 - 114 公務升官等考試_薦任_電力工程、電子工程、電信工程:電子學#133247
114年 · #133247
114年 - 114 原住民族特種考試_四等_電子工程:電子學概要#130947
114年 · #130947
114年 - 114 專技高考_專利師(選試專業英文及電子學)、專利師(選試專業日文及電子學):電子學#130110
114年 · #130110
114年 - 114 普通考試_電力工程、電子工程、電信工程:電子學概要#128790
114年 · #128790
114年 - 114 高等考試_三級_電力工程、電子工程、電信工程:電子學#128768
114年 · #128768