阿摩線上測驗
登入
首頁
>
電力系統
> 97年 - 097年警察人員、97年關務人員3等_電機工程#33978
97年 - 097年警察人員、97年關務人員3等_電機工程#33978
科目:
電力系統 |
年份:
97年 |
選擇題數:
0 |
申論題數:
6
試卷資訊
所屬科目:
電力系統
選擇題 (0)
申論題 (6)
一、三相電壓或電流均分別以零相序,負相序及正相序所共同組成,例如 IA=IA0+IA2+IA1 ,試問在正常三相平衡供電情形下,三相電流與零相序、負相序及正相序相量電流 以相量圖說明其相互關係?(15 分) 感應電動機三相供電電流持續含有 5%負相序電流,試問此電動機會發生何種物理 現象?(5 分)並以相量圖表達在某瞬間之三相電壓。(5 分)
⑴ 所需電容之容量為多少 KVAR?(15 分)
⑵ 電容量為多少 μF?(10 分)
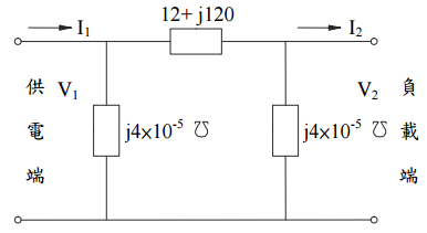
【已刪除】三、三相 60 Hz 輸送線各參數如下圖所示,負載端電壓 V
2
為 335kV;100 MW, 試計 算供電端電壓 V
1
為多少 kV?(25 分)
⑴ 匯流排 A 的三相故障容量為多少 MVA?(15 分)
⑵ 理論上匯流排 A 的瞬間故障之故障容量為多少 MVA?(10 分)
相關試卷
115年 - 115 關務特種考試_三等_電機工程(選試英文):電力系統#138944
115年 · #138944
114年 - 114 地方政府公務特種考試_三等_電力工程:電力系統#134738
114年 · #134738
114年 - 114 專技高考_電機工程技師:電力系統#133708
114年 · #133708
114年 - 114 公務升官等考試_薦任_電力工程:電力系統#133165
114年 · #133165
114年 - 114 高等考試_二級_電力工程:電力系統#131586
114年 · #131586
114年 - 114 高等考試_三級_電力工程:電力系統#128774
114年 · #128774
114年 - 114 關務特種考試_三等_電機工程(選試英文):電力系統#126644
114年 · #126644
113年 - 113 臺灣菸酒股份有限公司_從業職員及從業評價職位人員甄試試題_電子電機:電力系統(含電路學)#133978
113年 · #133978
113年 - 113 地方政府公務特種考試_三等_電力工程:電力系統#124553
113年 · #124553
113年 - 113 專技高考_電機工程技師:電力系統#123952
113年 · #123952