阿摩線上測驗
登入
首頁
>
電子學
> 97年 - 97 身心障礙特種考試_三等_電子工程:電子學#48707
97年 - 97 身心障礙特種考試_三等_電子工程:電子學#48707
科目:
電子學 |
年份:
97年 |
選擇題數:
0 |
申論題數:
5
試卷資訊
所屬科目:
電子學
選擇題 (0)
申論題 (5)
一、圖 1 所示為一場效電晶體放大器,試繪製其交流等效電路,並求此共源極放大器之 電壓增益 A
v
= V
out
/ V
in
。(20 分)
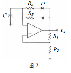
二、圖 2 所示為一弛緩振盪器(relaxation oscillator),設其中之運算放大器為理想元件, 試求其振盪頻率與維持電路振盪所需之條件。(20 分)
三、圖 3 所示為一限流穩壓電路,設其中 V
BE
= V
D
= 0.7 V,V
Z
= 5.3 V,R
S
= 0.1 Ω,試 求輸出電壓值 V
o
與輸出限流值 I
o(max)
。(20 分)
四、圖 4 所示為一由 CMOS 閘構成之無穩態多諧振盪器(astable multivibrator),設其 中閘臨限電壓(gate threshold voltage)V
th
= V
DD
/ 2 且 R = 100 kΩ,試求得使其振盪 頻率 f
o
= 1 kHz 之對應 C 值。(20 分)
五、設一理想因數(ideality factor)η = 2 之二極體,於室溫 25℃下且導通電流為 2 mA 時,其兩端壓降為 0.7 V,試求當其壓降增加 10%時之導通電流增加率。(20 分)
相關試卷
115年 - 115-1 臺北市立大安高工教師甄選試題_電子/控制科:電子學#138452
115年 · #138452
115年 - 115 國營臺灣鐵路股份有限公司從業人員_甄試試題_第10階-助理技術員-電力、電務:電子學概要#138261
115年 · #138261
114年 - 114 地方政府公務特種考試_三等_電力工程、電子工程、電信工程:電子學#134800
114年 · #134800
114年 - 114 地方政府公務特種考試_四等_電力工程、電子工程、電信工程:電子學概要#134742
114年 · #134742
114年 - 114 專技高考_電子工程技師:電子學#133712
114年 · #133712
114年 - 114 公務升官等考試_薦任_電力工程、電子工程、電信工程:電子學#133247
114年 · #133247
114年 - 114 原住民族特種考試_四等_電子工程:電子學概要#130947
114年 · #130947
114年 - 114 專技高考_專利師(選試專業英文及電子學)、專利師(選試專業日文及電子學):電子學#130110
114年 · #130110
114年 - 114 普通考試_電力工程、電子工程、電信工程:電子學概要#128790
114年 · #128790
114年 - 114 高等考試_三級_電力工程、電子工程、電信工程:電子學#128768
114年 · #128768