阿摩線上測驗
登入
首頁
>
電子學
> 98年 - 98 普通考試_電力工程、電子工程、電信工程:電子學概要#47978
98年 - 98 普通考試_電力工程、電子工程、電信工程:電子學概要#47978
科目:
電子學 |
年份:
98年 |
選擇題數:
0 |
申論題數:
7
試卷資訊
所屬科目:
電子學
選擇題 (0)
申論題 (7)
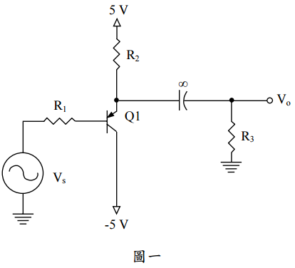
一、如圖一所示電路,其中R
1
=100 kΩ,R
2
=3 kΩ,R
3
=1 kΩ,V
S
直流分量為零,求直流 射極電流I
E
,假設β=100,忽略r
o
,求R
i
,V
o
/V
s
,i
o
/i
i
,R
o
。(20 分)
二、如圖二所示電路,其中R
S
=12 kΩ,R
B
=R
1
//R
2
=12 kΩ,r
x
=200 Ω,r
π
=1 kΩ,,β
0
=100, R
E
=1 kΩ,若要讓C
E
和C
1
對決定ω
L
(lower 3dB frequency)有相同影響程度的情況, C
E
/C
1
之比值應為何?(20 分)
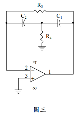
三、如圖三所示電路有兩個極點,其中ω
o
=10
4
rad/s,Q=
,C
1
=C
2
=2nF,求R
4
,R
3
之 值為何?(20 分)
⑴請說明電子電洞對(Electron-hole pair)。(10 分)
⑵請說明 series-shunt、shunt-series、series-series、shunt-shunt 等反饋電路,其電路 之增益,輸入阻抗及輸出阻抗在加入反饋效應後與無反饋時的改變情形為何。 (10 分)
⑴請說明在數位電路中,目前 CMOS 電路漸漸取代雙極性接面電晶體(BJT)電路 之原因。(10 分)
⑵請說明半導體唯讀記憶體(ROMs)。(10 分)
相關試卷
115年 - 115-1 臺北市立大安高工教師甄選試題_電子/控制科:電子學#138452
115年 · #138452
115年 - 115 國營臺灣鐵路股份有限公司從業人員_甄試試題_第10階-助理技術員-電力、電務:電子學概要#138261
115年 · #138261
114年 - 114 地方政府公務特種考試_三等_電力工程、電子工程、電信工程:電子學#134800
114年 · #134800
114年 - 114 地方政府公務特種考試_四等_電力工程、電子工程、電信工程:電子學概要#134742
114年 · #134742
114年 - 114 專技高考_電子工程技師:電子學#133712
114年 · #133712
114年 - 114 公務升官等考試_薦任_電力工程、電子工程、電信工程:電子學#133247
114年 · #133247
114年 - 114 原住民族特種考試_四等_電子工程:電子學概要#130947
114年 · #130947
114年 - 114 專技高考_專利師(選試專業英文及電子學)、專利師(選試專業日文及電子學):電子學#130110
114年 · #130110
114年 - 114 普通考試_電力工程、電子工程、電信工程:電子學概要#128790
114年 · #128790
114年 - 114 高等考試_三級_電力工程、電子工程、電信工程:電子學#128768
114年 · #128768