阿摩線上測驗
登入
首頁
>
電子學
> 99年 - 99 身心障礙特種考試_三等_電子工程:電子學#47083
99年 - 99 身心障礙特種考試_三等_電子工程:電子學#47083
科目:
電子學 |
年份:
99年 |
選擇題數:
0 |
申論題數:
5
試卷資訊
所屬科目:
電子學
選擇題 (0)
申論題 (5)
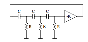
一、試求下列振盪電路圖的振盪條件及振盪頻率;並請問振盪電路的特性方程式為何? (20 分)
二、分析下列三個運算放大器電路圖(a)、(b)、(c);並用以設計一個低通濾波電路具有下 列的轉移函數
。(20 分)
三、若吾人以負回授觀念分析下圖電路時發現與標準負回授放大器的模組相異(註:理 論上,基本放大器的輸入與輸出不能連結在一個共同點 P 上),請問當分析此電路 時要如何解決這個問題?(20 分)
四、試分析下圖電路以說明其電容器乃用作頻率補償之用。(20 分)
五、試仔細說明下列電路圖是如何操作的?(20 分)
相關試卷
115年 - 115-1 臺北市立大安高工教師甄選試題_電子/控制科:電子學#138452
115年 · #138452
115年 - 115 國營臺灣鐵路股份有限公司從業人員_甄試試題_第10階-助理技術員-電力、電務:電子學概要#138261
115年 · #138261
114年 - 114 地方政府公務特種考試_三等_電力工程、電子工程、電信工程:電子學#134800
114年 · #134800
114年 - 114 地方政府公務特種考試_四等_電力工程、電子工程、電信工程:電子學概要#134742
114年 · #134742
114年 - 114 專技高考_電子工程技師:電子學#133712
114年 · #133712
114年 - 114 公務升官等考試_薦任_電力工程、電子工程、電信工程:電子學#133247
114年 · #133247
114年 - 114 原住民族特種考試_四等_電子工程:電子學概要#130947
114年 · #130947
114年 - 114 專技高考_專利師(選試專業英文及電子學)、專利師(選試專業日文及電子學):電子學#130110
114年 · #130110
114年 - 114 普通考試_電力工程、電子工程、電信工程:電子學概要#128790
114年 · #128790
114年 - 114 高等考試_三級_電力工程、電子工程、電信工程:電子學#128768
114年 · #128768