阿摩線上測驗
登入
首頁
>
電子學
> 99年 - 99 身心障礙特種考試_四等_電子工程:電子學概要#47089
99年 - 99 身心障礙特種考試_四等_電子工程:電子學概要#47089
科目:
電子學 |
年份:
99年 |
選擇題數:
0 |
申論題數:
6
試卷資訊
所屬科目:
電子學
選擇題 (0)
申論題 (6)
一、何謂斷路?何謂短路?如果有一個元件,流過的電流為零,跨在兩端的電壓也是零。 請問這個元件是短路?還是斷路?在你學過的元件中有沒有這種元件?這種元件叫 做什麼元件?它的特性為何?它是在任何情況下都是如此嗎?(20 分)
二、試證下圖運算放大器的電路可以實現一個電感器(注意:被動元件只可以使用電容 器及電阻器)。(16 分)
三、下列二個半波整流器電路圖(a)、(b)如何操作?各有何缺點?要如何改進?(16 分)
四、試對下列二電晶體電路圖(a)、(b)進行直流分析;即求I
B
, I
C
, I
E
, V
C
及VE。假設Q1及Q2 之β = 100, V
BE, ON
= 0.7 V。(16 分)
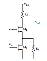
五、試求下電路圖的電壓增益;設M
1
及M
2
不考量基體效應,其小訊號參數為g
m
, g
ds
或r
ds
。(16 分)
六、請化簡下面有關數位電路的卡諾圖,以最簡單的 SOP(Sum of Product)型式及最簡 單的 POS(Product of Sum)型式表示答案。(16 分)
相關試卷
115年 - 115-1 臺北市立大安高工教師甄選試題_電子/控制科:電子學#138452
115年 · #138452
115年 - 115 國營臺灣鐵路股份有限公司從業人員_甄試試題_第10階-助理技術員-電力、電務:電子學概要#138261
115年 · #138261
114年 - 114 地方政府公務特種考試_三等_電力工程、電子工程、電信工程:電子學#134800
114年 · #134800
114年 - 114 地方政府公務特種考試_四等_電力工程、電子工程、電信工程:電子學概要#134742
114年 · #134742
114年 - 114 專技高考_電子工程技師:電子學#133712
114年 · #133712
114年 - 114 公務升官等考試_薦任_電力工程、電子工程、電信工程:電子學#133247
114年 · #133247
114年 - 114 原住民族特種考試_四等_電子工程:電子學概要#130947
114年 · #130947
114年 - 114 專技高考_專利師(選試專業英文及電子學)、專利師(選試專業日文及電子學):電子學#130110
114年 · #130110
114年 - 114 普通考試_電力工程、電子工程、電信工程:電子學概要#128790
114年 · #128790
114年 - 114 高等考試_三級_電力工程、電子工程、電信工程:電子學#128768
114年 · #128768