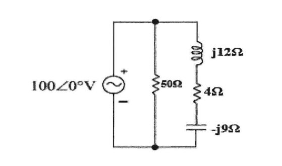
10.如圖所示電路,下列所求何者正確?
(A)視在功率S=1800VA
(B)實功率P=1200W
(C)最大瞬時功率 \( P_{max}=600(3+\sqrt{13}) \) W
(D)電路總功率因數 \( PF=2\/\sqrt{13} \)
答案:登入後查看
統計: 尚無統計資料
統計: 尚無統計資料