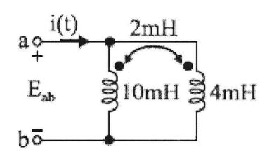
7.如圖所示電路,若電流方程式 \( i(t) = 10^{-t+5} \) 安培,試求在 t=3 秒時,電壓 \( E_{ab} \) 值為多少?

(A)180mV
(B)240mV
(C)360mV
(D)480mV
答案:登入後查看
統計: 尚無統計資料
統計: 尚無統計資料
7.如圖所示電路,若電流方程式 \( i(t) = 10^{-t+5} \) 安培,試求在 t=3 秒時,電壓 \( E_{ab} \) 值為多少?

(A)180mV
(B)240mV
(C)360mV
(D)480mV