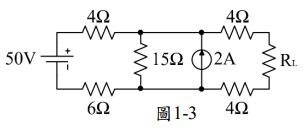
3. 如圖1-3 所示電路,欲獲得最大功率轉移,則RL電阻為?


(A) 4 Ω
(B) 6 Ω
(C) 10 Ω
(D) 14 Ω

答案:登入後查看
統計: 尚無統計資料