阿摩線上測驗
登入
首頁
>
捷運◆電機工程
>
108年 - 10808 臺北捷運:電機工程#79377
> 申論題
題組內容
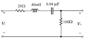
四、 下圖所示之帶通濾波器,試求:
(一) 中心角頻率。(10 分)
相關申論題
(一) 平均功率。(5 分)
#323193
(二) 視在功率。(5 分)
#323194
(三) 虛功率。(5 分)
#323195
(四) 功率因數。(5 分)
#323196
(一) 各個變壓器之分擔。(10 分)
#323197
(二) 該並聯運轉在均不過載之情況下可供應之最大負載容量 為何?(10 分)
#323198
(一) 感應電壓。(5 分)
#323199
(二) 電磁功率。(5 分)
#323200
(三) 電樞銅損。(5 分)
#323201
(四) 場繞銅損。(5 分)
#323202
相關試卷
114年 - 114-1 桃園大眾捷運股份有限公司_新進人員招募甄試試題_領班(維修號誌類、維修電機類):電機電子工程#126139
114年 · #126139
114年 - 114-1 桃園大眾捷運股份有限公司_新進人員招募甄試試題_工程員(維修電機類):電機工程#126135
114年 · #126135
112年 - 112 臺北捷運公司_新進工程員(二)甄試試題_電子維修類:電機工程#113641
112年 · #113641
108年 - 10808 臺北捷運:電機工程#79377
108年 · #79377
103年 - 103 臺北捷運:電機工程#79616
103年 · #79616