阿摩線上測驗
登入
首頁
>
電子儀表概要
>
96年 - 96 普通考試_電子工程:電子儀表概要#38294
> 申論題
題組內容
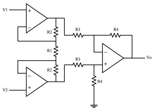
三、下圖為由三顆運算放大器所組成的儀表放大器,這是一種高輸入阻抗的差動式放大 電路,假設這三顆運算放大器都是理想的運算放大器,而且 R1 = R3 = 10 KΩ,R2 = 22 KΩ,R4 = 47 KΩ,
⑴此電路的 Ad(Differential-mode gain;差動增益)=?(5 分)
相關申論題
⑴在量測範圍為 0~200 伏特的檔位,解析度為多少伏特?(10 分) )
#112645
⑵已知其準確度為±(0.1%讀數+該檔位之解析度),若是在量測範圍為 0~2000 伏 特的檔位讀到的電壓值為 1000 伏特,請問此電壓的實際範圍為何?(10 分
#112646
二、有一個信號為f(t) = 5 + sin(2π ⋅10000 ⋅ t)伏特,分別利用示波器的 AC 和 DC 檔來量測 ,則所測得的均方根值(Root-mean-square value)分別為多少伏特?(10 分) (附註:忽略示波器探針所可能造成的信號衰減,並忽略示波器 AC 檔濾波效應所 造成的失真)
#112647
⑵此電路的 Ac(Common-mode gain;共模增益)=?(5 分)
#112649
⑶此電路的 CMRR(Common-mode rejection ratio;共模拒斥比)=?(5 分)
#112650
⑴如果圖(a)的量測結果是 I = 0.5 A,E = 500 V,試問其量測的誤差百分比是多 少?(10 分)
#112651
⑵如果圖(b)的量測結果是 E = 500 V,則 I 應為多少?(5 分)
#112652
則⑴濾波器(Filter)的頻寬,(10 分)
#112653
和⑵頻率合成器的輸 出頻率,各為多少 Hz?(10 分)
#112654
⑴請說明在雙軌跡示波器(Dual-trace oscilloscope)中,CHOP 和 ALT 兩種掃描模 式之間的差異和適用的場合。(10 分)
#112655
相關試卷
114年 - 114 地方政府公務特種考試_四等_電子工程:電子儀表概要#134796
114年 · #134796
114年 - 114 原住民族特種考試_四等_電子工程:電子儀表概要#130977
114年 · #130977
114年 - 114 普通考試_電子工程:電子儀表概要#128765
114年 · #128765
113年 - 113 地方政府公務特種考試_四等_電子工程:電子儀表概要#124486
113年 · #124486
113年 - 113 原住民族特種考試_四等_電子工程:電子儀表概要#122662
113年 · #122662
113年 - 113 普通考試_電子工程:電子儀表概要#121147
113年 · #121147
113年 - 113 身心障礙特種考試_四等_電子工程:電子儀表概要#119427
113年 · #119427
112年 - 112 地方政府特種考試_四等_電子工程:電子儀表概要#118101
112年 · #118101
112年 - 112 普通考試_電子工程:電子儀表概要#115739
112年 · #115739
112年 - 112 鐵路特種考試_員級_電子工程:電子儀表概要#114884
112年 · #114884