阿摩線上測驗
登入
首頁
>
電力系統
>
108年 - 108年關務三等 電力系統#75742
> 申論題
題組內容
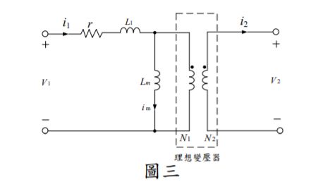
三、假設單相變壓器等效電路如圖三所示。
⑴繪出三相 Y 接地-△連接變壓器之三相電路。(10 分)
相關申論題
⑴如欲供應單相用戶負載 75 kVA,三相用戶負載 40 kVA,則該兩具變壓 器之最小組合容量為多少?(6 分)
#305623
⑵假設二次側之三相用戶為三相平衡之電感性負載,功因為 0.9 滯後,而 無單相用戶負載。假設每個變壓器均為理想變壓器,一次側與二次側之 匝數比為 a。請問一次側 A 相變壓器之複數功率與 B 相變壓器之複 數功率各為多少?(12 分)
#305624
⑶若二次側同時供應單相用戶及三相平衡用戶,二次側 a 相與 b 相之單相 負載均為 25 kVA,三相用戶負載為 40 kVA,請問一次側是否可三相平 衡供電?(7 分)
#305625
⑴描繪各傳輸線π型模型之等效電路與相關參數之實際值。(6 分)
#305626
⑵請撰寫電力潮流方程式,並說明何者是未知變數。(8 分)
#305627
⑶計算匯流排 1 所注入之有效功率與無效功率。(5 分)
#305628
⑷請說明每條傳輸線有效功率之流動方向。(6 分)
#305629
⑵求解三相 Y 接地-△連接變壓器之零序等效電路。(15 分)
#305631
⑴若總負載增加至 1400 MW,且忽略損失。假設其他輔助控制均未啟動 下,系統頻率將改變為多少?(10 分)
#305632
⑵在此情境下各機組出力將修正各為多少?(15 分)
#305633
相關試卷
115年 - 115 關務特種考試_三等_電機工程(選試英文):電力系統#138944
115年 · #138944
114年 - 114 地方政府公務特種考試_三等_電力工程:電力系統#134738
114年 · #134738
114年 - 114 專技高考_電機工程技師:電力系統#133708
114年 · #133708
114年 - 114 公務升官等考試_薦任_電力工程:電力系統#133165
114年 · #133165
114年 - 114 高等考試_二級_電力工程:電力系統#131586
114年 · #131586
114年 - 114 高等考試_三級_電力工程:電力系統#128774
114年 · #128774
114年 - 114 關務特種考試_三等_電機工程(選試英文):電力系統#126644
114年 · #126644
113年 - 113 臺灣菸酒股份有限公司_從業職員及從業評價職位人員甄試試題_電子電機:電力系統(含電路學)#133978
113年 · #133978
113年 - 113 地方政府公務特種考試_三等_電力工程:電力系統#124553
113年 · #124553
113年 - 113 專技高考_電機工程技師:電力系統#123952
113年 · #123952