阿摩線上測驗
登入
首頁
>
電子學
>
114年 - 114 高等考試_三級_電力工程、電子工程、電信工程:電子學#128768
> 申論題
題組內容
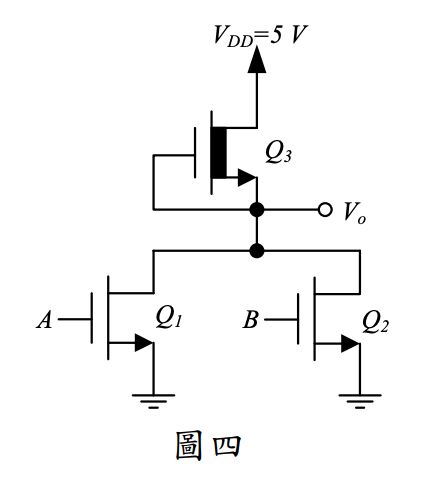
四、如圖四所示之 MOSFET 電路,若 Q1、Q2、Q3 之參數分別如下:VT1=VT2=0.8 V, VT3 =-2 V,
。試求:
(一)說明此數位電路之邏輯函數名稱。 (5 分)
相關申論題
(一)請推導出電壓增益 Av =vo/vs 與 x 的關係式。(10 分)
#549441
(二)說明如何在 10 kΩ的可變電阻旁加入一固定電阻 R,使得電路的電壓 增益 Av 的範圍在 1 至 11 之間,並計算此電阻值 R=?(15 分)
#549442
二、如圖二所示電路,vs 為輸入的交流小信號,BJT 操作在作用區(active ,若β =199,VT = 25 mV,請計算下列各項參數:(一)集極直流電位 region) VC,(二) gm,(三) rπ,(四) Rin,(五) vo/vs,其中 gm 與 r為電晶體小信號參數。 (25 分)
#549443
三、如圖三所示之回授放大電路,其中 gm1=gm2=4 mA/V,ro1=∞,ro2=20 kΩ, RD=20 kΩ,RL=1 kΩ,RF=100 Ω,請計算下列各項參數:(一)開路增益(open- Vf loop gain)A=Io/vi,(二)回授因子(feedback factor),(三)閉路增益 Io (closed-loop gain)Af,(四) Ro,(五) Rof。(25 分)
#549444
(二)當 A=5 V,B=0 V,Vo=?(10 分)
#549446
(三)當 A=B=5 V,Vo=?(10 分)
#549447
(二) = 5 V , = 0 V 時, =?
#561019
(一) = 0 V 時, ?
#561018
四、圖四為一個串並(Series-Shunt)回授放大器電路,電路中 npn BJT 電晶體 Q1 與 Q2 的參數如下 :β1=β2 = 100 , = 10 mA/V , = 10 kΩ , = ∞ 。 電路中 , = 20 kΩ , = 20 kΩ , R1 = 2 kΩ , R2= 18 kΩ 。請計算:電壓增益 、輸入電阻 與輸出電阻 。
#561017
(二)零點(Zero)頻率。
#561016
相關試卷
114年 - 114 地方政府公務特種考試_三等_電力工程、電子工程、電信工程:電子學#134800
114年 · #134800
114年 - 114 地方政府公務特種考試_四等_電力工程、電子工程、電信工程:電子學概要#134742
114年 · #134742
114年 - 114 專技高考_電子工程技師:電子學#133712
114年 · #133712
114年 - 114 公務升官等考試_薦任_電力工程、電子工程、電信工程:電子學#133247
114年 · #133247
114年 - 114 原住民族特種考試_四等_電子工程:電子學概要#130947
114年 · #130947
114年 - 114 專技高考_專利師(選試專業英文及電子學)、專利師(選試專業日文及電子學):電子學#130110
114年 · #130110
114年 - 114 普通考試_電力工程、電子工程、電信工程:電子學概要#128790
114年 · #128790
114年 - 114 高等考試_三級_電力工程、電子工程、電信工程:電子學#128768
114年 · #128768
113年 - 113-2 國營臺灣鐵路股份有限公司_從業人員甄試試題_第10階-助理技術員-電務 第10階-助理技術員-電力:電子學概要#137201
113年 · #137201
113年 - 113 臺灣菸酒股份有限公司_從業職員及從業評價職位人員甄試試題_從業職員_電子電機:電子學#133997
113年 · #133997