題組內容
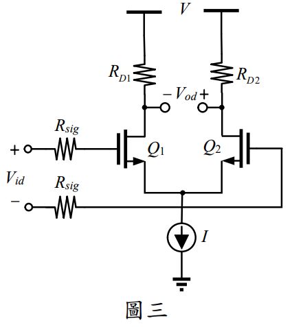
三、圖三為一個基本的 NMOS 場效電晶體(Field Effect Transistor, FET)差動 放大器(Differential Amplifier)電路,Q1 與 Q2 完全匹配(Perfectly Match) , 輸入訊號為差動輸入形式。 Q1 與 Q2 的參數如下:
= 2 mA/V ,
= 10 fF,
=2 fF,
= 5 fF,
= 15 kΩ。 電路部分,
=30 kΩ ,
= 25 kΩ 。請計算此電路的:

(二)零點(Zero)頻率。
三、圖三為一個基本的 NMOS 場效電晶體(Field Effect Transistor, FET)差動 放大器(Differential Amplifier)電路,Q1 與 Q2 完全匹配(Perfectly Match) , 輸入訊號為差動輸入形式。 Q1 與 Q2 的參數如下:
= 2 mA/V ,
= 10 fF,
=2 fF,
= 5 fF,
= 15 kΩ。 電路部分,
=30 kΩ ,
= 25 kΩ 。請計算此電路的:

(二)零點(Zero)頻率。