阿摩線上測驗 登入

申論題資訊

試卷:108年 - 108 臺灣港務股份有限公司新進從業人員甄試_師級_電機:電力系統與電路學#83151
科目:港務局◆電力系統與電路學
年份:108年
排序:0

題組內容

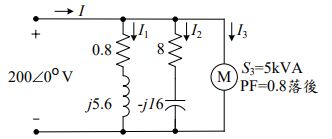
2.如圖所示,兩阻抗 Z1=0.8+j5.6 Ω 及 Z2=8-j16 Ω,與一單相電動機並聯接 於一單相 200 Vrms、60 Hz 電源,電動機吸收 5 kVA 的電力,功率因數為 0.8 落後。試求:
5e5378050222b.jpg

申論題內容

(一)兩阻抗的複功率 Sl與 S2,及電動機的複功率 S3