題組內容
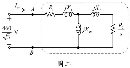
三、額定60Hz、460V、Y接、300馬力之三相六極鼠籠式感應電動機,每相等效電路如圖二中虛線所圍繞的部分,s為轉差率,參照至定子側的等效電 路每相歐姆值為R1=0.007,R2=0.011,X1=X2=0.05,Xm=2.4 ,此電動機在額定電壓下啟動。鐵心損失、風阻及摩擦損失均可忽略。(每小題10分,共20分)
三、額定60Hz、460V、Y接、300馬力之三相六極鼠籠式感應電動機,每相等效電路如圖二中虛線所圍繞的部分,s為轉差率,參照至定子側的等效電 路每相歐姆值為R1=0.007,R2=0.011,X1=X2=0.05,Xm=2.4 ,此電動機在額定電壓下啟動。鐵心損失、風阻及摩擦損失均可忽略。(每小題10分,共20分)