阿摩線上測驗 登入

申論題資訊

試卷:112年 - 112 專技高考_專利師(選試專業英文及電子學)、專利師(選試專業日文及電子學):電子學#116260
科目:電子學
年份:112年
排序:0

題組內容

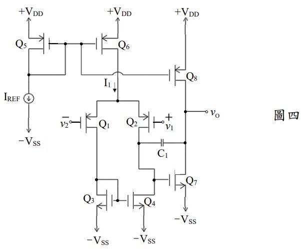
四、如圖四為二級(two stage)CMOS 運算放大器在正常工作狀態下,假設其 slew rate SR = 100 V/μs , ft= 60 MHz (unity-gain bandwidth),試求:
64e41e91919a2.jpg

申論題內容

(二)假設輸入級之偏壓電流 I1=100 μA ,試求 C1 值為何(F)?(6 分)