阿摩線上測驗
登入
首頁
>
國營事業◆1.飛機結構學 2.複合材料力學
>
102年 - 102 經濟部所屬事業機構_新進職員甄試_航空結構:1.飛機結構學 2.複合材料力學#28343
> 申論題
題組內容
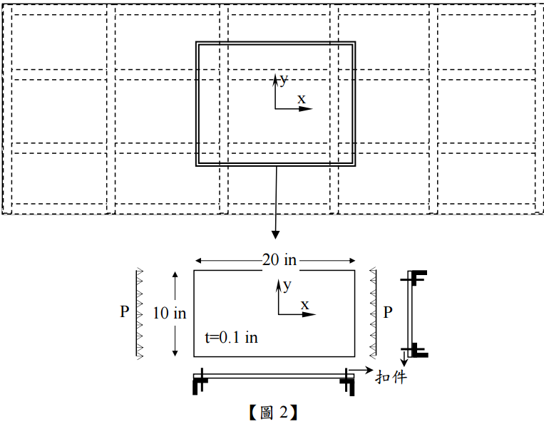
三、【圖 2】為大平板以單排扣件與數根 L 型加強條搭接,取出加強條間的小平板進行挫曲 (Buckle)分析,假設小平板只承受 x 方向壓力 P,請回答下列問題:
(二)在不改變小平板原始長度與厚度之下,請提供兩種方法以改善挫曲的發生,並簡述其 原因(可用圖形加強解釋)。(6 分)
相關申論題
(一)簡述何謂纖維補強複合材料(Fiber Reinforced Composite)。(5 分)
#54829
(二)簡述纖維補強複合材料相對於金屬的優點 3 項、缺點 2 項。(5 分)
#54830
(三)列舉 5 項纖維補強複合材料的應用產業。(5 分)
#54831
(一)簡述並繪製小平板第一個挫曲變形形狀 。(5 分)
#54832
(三)如果 x 向軸力 P 是張力,請問使用數值分析方法(例如有限元素分析法)是否可以進行 線性挫曲分析?並簡述其原因。(4 分)
#54834
(一)圖示座標原點的σx、σy、τxy 之應力值(MPa)。(3 分)
#54835
(二)薄管結構管壁所需之最小層數(不考慮對稱性)。(5 分)
#54836
(三)在最小層數條件下,纖維方向的最大應變值。(以科學符號表示,計算至小數點後第 2 位,以下四捨五入)。(7 分) 提示:應力與應變關係式為: ⎪ ⎭ ⎪ ⎬ ⎫ ⎪ ⎩ ⎪ ⎨ ⎧ τ σ σ ⎥ ⎥ ⎥ ⎥ ⎥ ⎥ ⎥ ⎦ ⎤ ⎢ ⎢ ⎢ ⎢ ⎢ ⎢ ⎢ ⎣ ⎡ − ν − ν = ⎪ ⎭ ⎪ ⎬ ⎫ ⎪ ⎩ ⎪ ⎨ ⎧ γ ε ε xy y x xy x y xy y yx x xy y x G 1 0 0 0 E 1 E 0
#54837
(一)耳軸(厚 t2)的剪力破壞(Shear tear out)、張力破壞(Tension failure)、降伏承壓破壞(Bearing yield failure)等三項的安全裕度(M.S.= Margin of safety,計算至小數點後第 2 位,以下四 捨五入)。(12 分)
#54838
(一)依 W(x,y)關係式計算並判斷板四周是哪一種邊界條件。(6 分)
#54840
相關試卷
102年 - 102 經濟部所屬事業機構_新進職員甄試_航空結構:1.飛機結構學 2.複合材料力學#28343
102年 · #28343
101年 - 101 經濟部所屬事業機構_新進職員甄試_航空結構:1.飛機結構學 2.複合材料力學#28524
101年 · #28524