題組內容
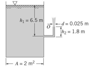
一、如下圖所示,一截面積 A=2 m 2 之水桶側壁上、水深 h1=6.5 m 處有一直徑 d = 0.025 m 、垂直部分長度 h2 =1.8 m 之噴嘴,使水從其出口(圖中 O 處)流出。假設黏性及暫態效應可以忽略,並令水之密度 ρ= 1000 kg/m3、 重力加速度 g =9.8 m/s 2 ,試求:
(二)從噴嘴流出水柱之頂點與桶內水面之高度差。(10 分)
一、如下圖所示,一截面積 A=2 m 2 之水桶側壁上、水深 h1=6.5 m 處有一直徑 d = 0.025 m 、垂直部分長度 h2 =1.8 m 之噴嘴,使水從其出口(圖中 O 處)流出。假設黏性及暫態效應可以忽略,並令水之密度 ρ= 1000 kg/m3、 重力加速度 g =9.8 m/s 2 ,試求:
(二)從噴嘴流出水柱之頂點與桶內水面之高度差。(10 分)