阿摩線上測驗
登入
首頁
>
電力電子學
>
111年 - 111 高等考試_二級_電力工程:電力電子#111034
> 申論題
題組內容
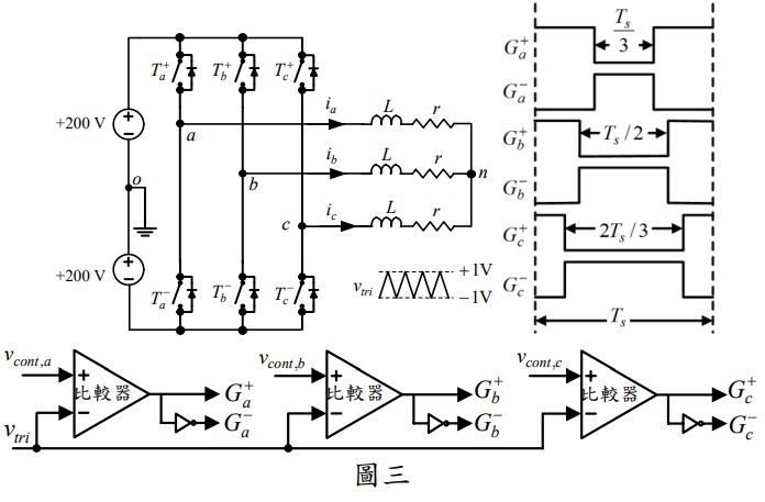
三、某電力電子電路,其開關信號產生方式與開關信號波形如圖三所示,
稱為三相輸出電壓;
稱為三相負載電壓。
為開關切換周期,也是三角波信號
周期。
(二)根據波形,計算輸出電壓
之平均值(V)。
相關申論題
(一)請計算負載電流之有效值。
#475960
(二)請計算負載電流之三次諧波成分。
#475961
(三)請計算負載電流之總諧波失真率(Total Harmonic Distortion,THD) 。
#475962
(四)請計算該負載之功率因數(Power Factor,PF)。
#475963
(五)請計算該負載之平均功率。
#475964
(一)穩態下,請計算電路電感電流之平均值(A)。
#475965
(二)穩態下,請計算電路電感電流之峰對峰值(A)。
#475966
(三)穩態下,請計算電路輸出電壓之平均值(V)。
#475967
(四)穩態下,請計算電路輸出電壓之峰對峰值(V)。
#475968
(五)降低負載功率,直至穩態電感電流操作於邊界模式(Boundary 。請計算此時負載功率值(W)。
#475969
相關試卷
114年 - 114 台灣電力公司_大學及研究所獎學金甄選試題_電力電子:電力電子#137061
114年 · #137061
114年 - 114 高等考試_二級_電力工程:電力電子#131608
114年 · #131608
113年 - 113 台灣電力公司大學及研究所獎學金甄選試題_電力電子:電力電子#129259
113年 · #129259
113年 - 113 高等考試_二級_電力工程:電力電子#123066
113年 · #123066
112年 - 112 台灣電力公司大學及研究所獎學金甄選試題_電力電子:電力電子#129261
112年 · #129261
112年 - 112 高等考試_二級_電力工程:電力電子#116758
112年 · #116758
111年 - 111 高等考試_二級_電力工程:電力電子#111034
111年 · #111034
110年 - 110 高等考試_二級_電力工程:電力電子#101928
110年 · #101928
109年 - 109 高等考試_二級_電力工程:電力電子#91547
109年 · #91547
108年 - 108 高等考試_二級_電力工程:電力電子#79568
108年 · #79568