阿摩線上測驗
登入
首頁
>
電磁學
>
104年 - 104年高員三級鐵路人員_電子工程 電磁學#22478
> 申論題
題組內容
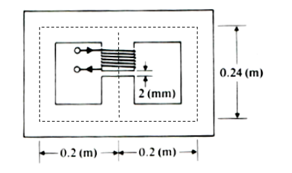
三、如圖所示,磁路的中央分支上繞有 200 匝的繞線,電流為 3A,並具有空氣隙。鐵芯 的橫截面積恆為 10
-3
(m
2
),相對導磁係數等於 5000:
(二)求鐵芯各分支內,及空氣隙中的磁場強度。(7 分)
相關申論題
二、有一圓形小迴路,半徑 b,電流 I(此即構成一個磁偶極,magnetic dipole),試求該 磁偶極在遠方某一點所造成之磁通密度。(20 分)
#23725
(一)求各分支內之磁通量。(8 分)
#23726
(一)試推導該電場在一無源(source-free)具導電性(σ)且均勻介質(μ,ϵ)中的波 傳播方程式(wave equation)。(10 分)
#23728
(二)並試求該方程式之解。(5 分)
#23729
五、在界面無反射時,當(一)入射波為垂直極化(perpendicular polarization),且 ϵ1≠ μ2 及 ϵ1=ϵ2 時;或(二)入射波為平行極化(parallel polarization),且 ϵ1≠ ϵ2 及 ϵ1= μ2 時,試證明其 Brewster angle 與折射角(refraction angle)之和為 π / 2。 (共 20 分,(一)項及(二)項之證明,各 10 分)
#23730
四、有一電路,包含一個內阻為 50 Ω,能產生電壓為 10 V,頻率為 300 MHz 的訊號產生器;訊號產生器連接一長度為 2 公尺,阻抗為50Ω的傳輸線; 傳輸線末端接上一阻抗為 (30 - 40 j )Ω 的負載。請詳細推導此電路中的相 位常數、傳輸線連接負載處的反射係數、傳輸線上電壓的表示式。以及若要讓負載端接收到最大的平均功率,其阻抗應設定為多少?(20 分)
#560645
三、在無損耗簡單介質(相對介電常數 relative permittivity 為 4,相對導磁係 數 relative permeability 為 1,導電率為 0)中,有一均勻平面波朝 + z 方向傳遞,已知其磁場強度 H= a y H y ,Hy 為頻率為 100 MHz 的弦波函數, 當 t= 0 且 z = 1 / 8(m) 時有最大值10-4 (A/m) 。請詳細推導此均勻平面波磁 場強度與電場強度的瞬時表示式。(20 分)
#560644
二、請詳述電磁場(包括電場強度、電通量密度、磁場強度、磁通量密度) 在兩介質交界處的邊界條件:介質 1 為介電質 dielectric、介質 2 為介電 質;介質 1 為介電質、介質 2 為完美導體。 (30 分)
#560643
(二)請詳細推導同軸電纜單位長度的電感大小。(15 分)
#560642
(一)請詳細推導同軸電纜單位長度的電容大小。(15 分)
#560641
相關試卷
114年 - 114 地方政府公務特種考試_三等_電子工程、電信工程:電磁學#134740
114年 · #134740
114年 - 114 公務升官等考試_薦任_電子工程、電信工程:電磁學#133233
114年 · #133233
114年 - 114 高等考試_三級_電子工程、電信工程:電磁學#128778
114年 · #128778
113年 - 113 地方政府公務特種考試_三等_電子工程:電磁學#124547
113年 · #124547
113年 - 113 高等考試_三級_電子工程、電信工程:電磁學#121507
113年 · #121507
112年 - 112 地方政府特種考試_三等_電子工程:電磁學#118373
112年 · #118373
112年 - 112 公務升官等考試_薦任_電子工程、電信工程:電磁學#117309
112年 · #117309
112年 - 112 高等考試_三級_電子工程、電信工程:電磁學#115766
112年 · #115766
111年 - 111 地方政府特種考試_三等_電子工程:電磁學#112356
111年 · #112356
111年 - 111 高等考試_三級_電子工程:電磁學#109687
111年 · #109687