題組內容
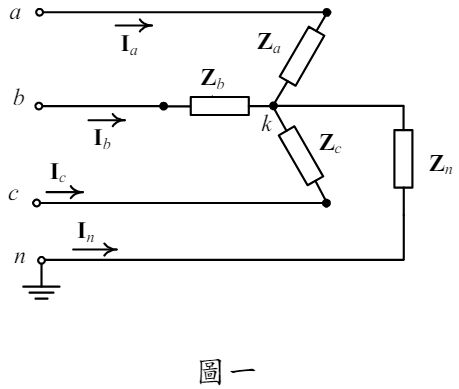
一、圖一為一個三相 Y 接平衡負載(Za = Zb = Zc= 3 + j6Ω),其中性點經一阻抗Zn = 5 + j10 Ω接地。
(二)若此負載由一組三相不平衡電壓供電,Van = 220∠0° V、Vbn = 230∠ - 120° V、 Vcn = 185∠100°V ,計算此負載之三相線電流向量 I a 、 Ib 、 Ic 。(15 分)
一、圖一為一個三相 Y 接平衡負載(Za = Zb = Zc= 3 + j6Ω),其中性點經一阻抗Zn = 5 + j10 Ω接地。
(二)若此負載由一組三相不平衡電壓供電,Van = 220∠0° V、Vbn = 230∠ - 120° V、 Vcn = 185∠100°V ,計算此負載之三相線電流向量 I a 、 Ib 、 Ic 。(15 分)