題組內容
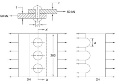
1.如圖所示,兩板承受一 50kN 之拉力,且由三支鉚釘連結,忽略應力集中。 若板與鉚釘之拉伸降伏強度 Ssy為 250N/mm2,剪力降伏強度為拉伸降伏強 度之 50%,安全因子 SF 為 2.5,容許拉伸應力定義為(σ=Ssy/SF),容許剪 應力定義為(τ=0.5Ssy/SF)。請計算:
1.如圖所示,兩板承受一 50kN 之拉力,且由三支鉚釘連結,忽略應力集中。 若板與鉚釘之拉伸降伏強度 Ssy為 250N/mm2,剪力降伏強度為拉伸降伏強 度之 50%,安全因子 SF 為 2.5,容許拉伸應力定義為(σ=Ssy/SF),容許剪 應力定義為(τ=0.5Ssy/SF)。請計算: