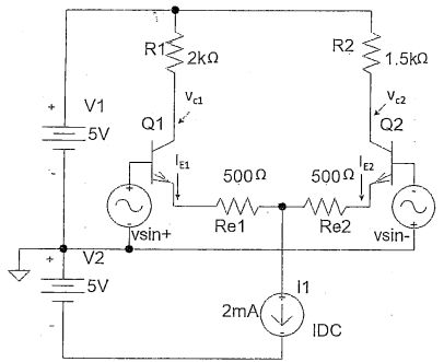
題組內容
4. (25%) A BJT differential pair is shown as below. Two synchronized sinusoidal waves (vsint and vsin-) All BJTs are assumed to be the same with β=100 and Early voltage VA- ∞.] Please evaluate the following at room temperature (VT=25mV):

(15%) (c) Please plot the corresponding output waveforrns at Voi and vo2 if the synchronized sinusoidal waves are both 10 KHz with amplitude 1mV. You should note the polarity at base is opposite for Q1 and Q2. (hints: you can calculate the DC voltage at
and then calculate amplification at each side.)Assume that the current source is ideal with an infinite resistance.