阿摩線上測驗
登入
首頁
>
港務局◆基本電學
>
106年 - 106-1 臺灣港務股份有限公司從業人員甄試_員級_電機:基本電學#83277
>
題組內容
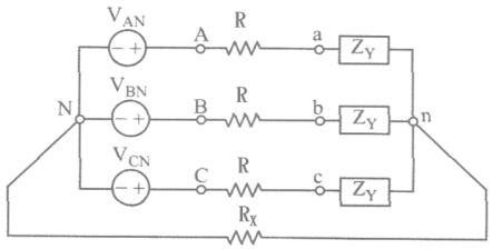
4.三相平衡電路如下圖所示,其中R = 4 Ω,R
X
= 50Ω,Z
Y
= 4 + j8(Ω),V
AN
= 960∠0°V,V
BN
= 960∠120°V,V
CN
= 960∠ - 120°V。
(2)求三相系統電源提供之總功率。
其他申論題
(2)並決定負載上最大功率。
#338611
(1)求出戴維寧等效電路之阻抗Zth和等效電壓Eth
#338612
(2)求電源轉移至負載之最大功率。
#338613
(1)求流經各相分支負載之電流
#338614
(1)求從電源端看電橋之等效電阻
#338616
(2)分別求出流經R1和R2之電流值。
#338617
(1) 傅倫第效應 (Ferranti effect)
#338618
(2) 集膚效應 (Skin effect)
#338619
2.有一三相輸配電線路其系統單線圖如下圖所示,系統以三相 110 kV、100 MVA 作共通基準值,假設於匯流排 2 發生電力故障,故障前於匯流排2 的合成相序阻抗分別為:零序阻抗 Z0 = j0.15 pu,正序阻抗 Z1= j0.45 pu,負序阻抗 Z2= j0.45 pu,開路電壓為 1.0∠0°。試問於匯流排 2 經 j0.05pu 阻抗接地的單相接地故障之真實故障電流為多少安培?(四捨五入至小數點第三位)
#338620
3.三相、60 Hz、345 kV 輸電線長 320 公里,每相輸電線電感為0.96 mH/km、每相輸電線電容為 0.0116 μF/km,假設為無耗損輸電線。 試求輸電線相位常數 β、突波阻抗 Zc、傳播速度 v 及輸電線波長 λ。(四 捨五入至小數點第三位)
#338621