阿摩線上測驗
登入
首頁
>
教甄◆電子科/資訊科/電機科/冷凍空調科/控制科/電機空調科
>
111年 - 111 臺北市市立高級中等學校正式教師聯合甄選:電機/控制科#107364
> 申論題
題組內容
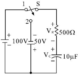
2. 如下圖所示,開關閉合於1處電路已達穩態, 1 t = 0時將開關由1處切至2處,試求
若開關閉合於2處電路已達穩態時, t
2
= 0 時將開關再由2處切至1處,試求
(3)
(3分)
相關申論題
(1)如下圖所示電路,試求出I1之電流為多少A?(5分)
#459323
(2)如下圖所示電路中,4A電流源提供功率為多少?(5分)
#459324
(1) (3分)
#459325
(2)(2分)
#459326
(4)(2分)
#459328
(1)電路的輸入阻抗(2分)、為?(4分)
#459329
(2)若考慮為?(4分)
#459330
(1)試求輸入阻抗Zi為多少Ω?(5分)
#459331
(2)試求輸出端電壓為何?(5分)
#459332
(1)渦流損(5分)
#459333
相關試卷
114年 - 114 高雄市市立高級中等學校聯合教師甄選試題:資料處理科#127345
114年 · #127345
114年 - 114 高雄市市立高級中等學校聯合教師甄選試題:電子科#127344
114年 · #127344
114年 - 114 高雄市市立高級中等學校聯合教師甄選試題:電機科#127337
114年 · #127337
114年 - 114 高雄市市立高級中等學校_聯合教師甄選:資訊科#127273
114年 · #127273
114年 - 114 教育部受託辦理_公立高級中等學校教師甄選試題:資訊科#126955
114年 · #126955
114年 - 114 臺北市松山工農_正式教師甄選﹕電子科與資訊科#126907
114年 · #126907
114年 - 114 新北市高級中等學校_教師聯合甄選試題:資訊、電子科#126872
114年 · #126872
114年 - 114 新北市高級中等學校_教師聯合甄選試題:控制科、電機科#126871
114年 · #126871
114年 - 114-1 臺北市立大安高級工業職業學校_教師甄選筆試試題_電子科:數位邏輯設計#126488
114年 · #126488
114年 - 114-1 臺北市立大安高級工業職業學校_教師甄選筆試試題_控制科/電子科:基本電學#126479
114年 · #126479