阿摩線上測驗 登入

申論題資訊

試卷:112年 - 112 臺灣港務股份有限公司_新進從業人員甄試試題_師級_電機 :電力系統與電路學#114066
科目:港務局◆電力系統與電路學
年份:112年
排序:0

題組內容

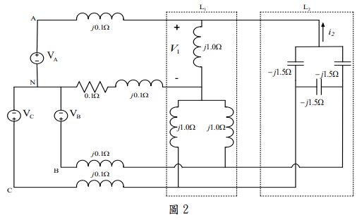
4 考慮如圖 2 之三相交流電路,兩個負載L1與L2並聯連接於頻率為 60Hz之三相電壓源 , 其電壓值 為 VA = 100∠0 ∘ , VB = 100∠−120° , VC = 100∠120°。試求:
64533d3a1efaf.jpg

申論題內容

(c)決定電流i2(t)之均方根(Root Mean Square)值為多少?(6 分)